摘 要:城市轨道交通系统,在今天已经成为各个城市发展和解决城市交通的重要砝码,它以安全、准时、快速、减少污染等优点日益成为人们出行的首选。作为城市轨道交通系统常用的直流供电系统,在具有相对的能量输送功率大、传输距离远、变电所间互联容易、继电保护简单等优点的同时,也存在着一些负面影响,其中杂散电流和由它引起的电腐蚀就是一直困扰人们的一个问题。它对地铁的内部的金属构建,甚至邻近地铁的外部的一些设备产生腐蚀,导致设备的使用寿命降低,造成严重的经济损失。因此地铁杂散电流的防护逐渐被人们认识并重视,此文对杂散电流的相关问题进行一些粗浅的分析,阐明本人的一些观点,希望起到抛砖引玉的作用。
翻开世界上电气化铁路的运营史,杂散电流和由它引起的电腐蚀一直是困扰人们的一个问题,在此就此问题,进行一些粗浅的谈论,以阐明本人的一些观点,以起到抛砖引玉的作用
1.杂散电流的产生
众所周知,目前世界上城市轨道交通系统的供电方式,绝大多数采用直流供电系统。作为电源的牵引整流变电所,通过与之正极相连的接触轨或架空接触网,向电动列车输送电能,然后通过列车,以走行轨作为直流电流的回流通路,最终在牵引整流变电所附近,将走行轨与牵引整流变电所负极相连,使馈出的直流电流返回牵引整流变电所。但供电系统在实际运营过程中,上述的直流回路往往无法保证与周围的环境隔绝,由于各种原因,系统对周围环境存在着或多或少的泄漏电阻,随着线路运营时间的延长,运营环境逐步恶化,泄漏电阻值还将逐步减小,尤其是作为回流通路的走行轨,大多安装在隧道内的道床上,而在地面线路,更是直接安装在露天,经受着风吹雨淋,因此走行轨与大地之间的过渡电阻势必会减小,从而造成有部分直流电流泄漏向大地,侵入线路周围的地区,尤其是线路周围的输电电缆、通信电缆、煤气管道、自来水管道等金属构件。这部分没有按照既有线路流通,而流入大地电流,我们称之为杂散电流。图1清楚地反映了杂散电流的形成。

图 1 杂散电流的形成
由于杂散电流的产生以及它的电腐蚀效应,使对线路以及周围设施的金属构件构成了一定的威胁。这种电腐蚀总是发生在离子导电电流流出金属结构的地方,即发生在金属与电解质存在的阳极区。杂散电流的阳极电腐蚀对金属的破坏相当严重,能引起水管穿孔漏水、锈蚀、电缆挂钩打火、道钉生锈断裂等,导致地铁设施的使用寿命降低,造成严重的经济损失。
2.杂散电流的计算
要正确计算杂散电流,需要整个系统回路状态的分布参数,而对于一个庞大的轨道交通系统的供电系统而言,要准确把握整个系统的分布参数是相当困难的。因此对于工程计算而言,我们可以把部分条件进行简化,然后再进行计算。在此我们认为轨道对地的过渡电阻是均布的;走行轨的电阻是均布的;地下的金属构件纵向电阻是均布的;金属构件向大地的漏电忽略不计;其它杂散电流源的干扰忽略不计。
在上述简化条件下,我们对几种典型牵引供电系统的杂散电流进行计算:
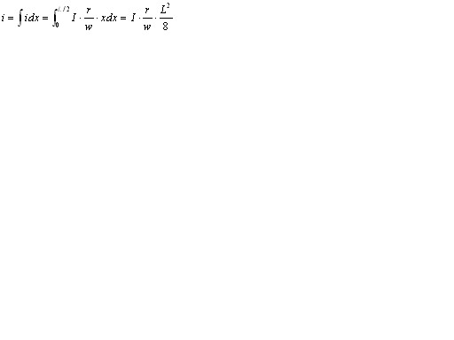
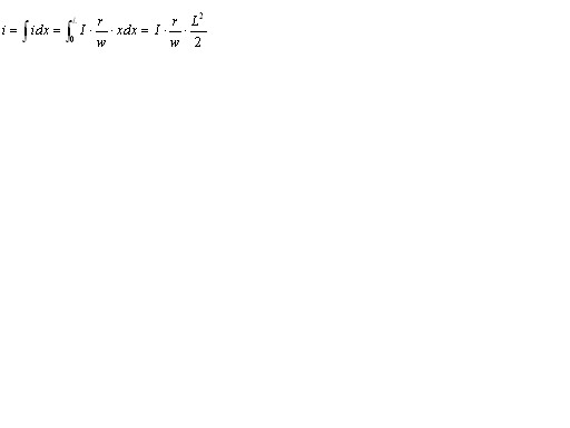
1) 单边供电区段:

图 2 单边供电杂散电流分布示意图

式中:r为走行轨单位长度的电阻;
w为走行轨对地的过渡电阻;
I为变电所对机车的馈电电流;
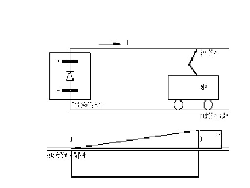
2) 单边供电,变电所附近走行轨接地:

图 3 单边供电,变电所附近走行轨接地的杂散电流分布示意图

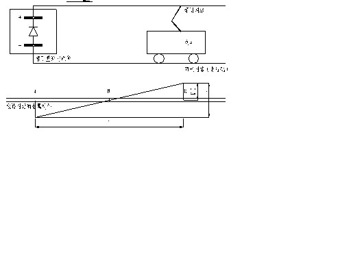
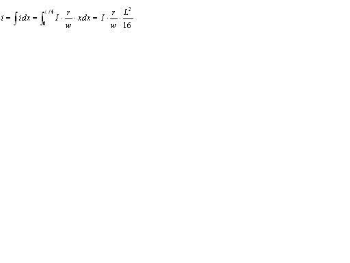
3) 双边供电,机车在线路中部取流:

图 3 双边供电,机车在线路中部取流的杂散电流分布示意图

由上面的几种典型牵引供电系统的杂散电流计算,推而广之即可进行整个牵引供电系统的杂散电流分布情况计算,在此就不进行详述。
3.杂散电流的防护
通过前面的论述和计算,我们已经看到了杂散电流危害的严重性,这一问题也逐步得到人们的重视。那么如何减少和降低杂散电流对我们的轨道交通系统以及临近线路的其它金属构件的危害呢?在此,根据轨道交通中的通常采用的做法进行一些说明。
3.1杂散电流的预防
从前面推倒的公式中可以看出,杂散电流的大小与走行轨的单位电阻成正比;与走行轨对地的过渡电阻成反比;与轨道的长度的平方成正比。从前面的分析也可以看出,杂散电流是途经走行轨—铁垫板—固定螺栓道钉—进入道床以及相关金属构件的。在此回路中将会形成若干阳极区域,从而导致部分金属的腐蚀,此中腐蚀危害的严重点均是由于局部腐蚀引起的,这包括走行轨、螺栓道钉以及局部的金属构件。为了更好的实施杂散电流防护,首先在设计阶段,在满足整个系统的要求的同时,应尽可能考虑减小杂散电流的可能,如尽可能的延长牵引变电所间距,采用合理的方式增大对地过渡电阻等;其次在系统的建设过程中,应针对轨道绝缘实施严格的施工和质量控制,使得新建系统的走行轨对地过渡电阻满足《地铁杂散电流腐蚀防护技术规程》中规定的不小于15ohm.km的要求;再次在系统的运营过程中,应加强运营的检测和维护,保持系统的清洁和干燥,及时更换老化失效的减震绝缘垫板,以保证轨道的绝缘水平,使得运营系统的走行轨对地过渡电阻满足《地铁杂散电流腐蚀防护技术规程》中规定的不小于10ohm.km的要求,从而在根本上减少杂散电流的危害。
3.2 杂散电流的排流
(1)直接排流法
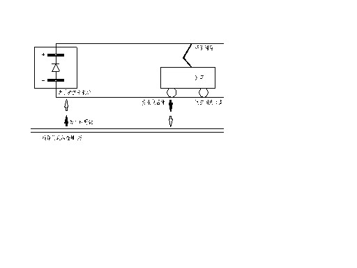
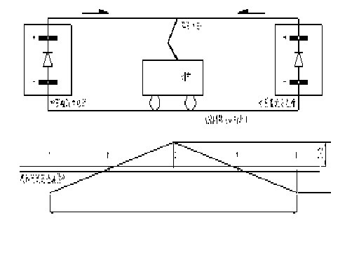
为了减少从钢轨泄漏至地下的杂散电流对金属导体产生的电化学腐蚀,最早的做法是采用直接排流方法;即将牵引所附近的金属导体与牵引所内负母线直接相连,在金属导体与负母线之间形成很小的电阻通路,这样从钢轨泄漏至地下的杂散电流在进入地下金属导体后,由于这部分杂散电流是沿着导体电阻较小的通路流回牵引所负母线,而不是先流出导体进入土壤,而后从土壤进入网轨,从而避免了对牵引所附近金属导体的腐蚀。这种排流方法,称之为直接排流法。如图4。
这种排流方法在线路上只有一个牵引变电所运营,且变电所附近的结构电位基本不改变极性的情况下可以达到较理想的效果。但现在城市轨道交通的供电系统,基本采用多个牵引变电所共同为线路供电,而且新型列车,如VVVF列车的使用,往往使得负母线(或其附近钢轨)电位反而可能大于地下导体电位,在这种情况下,直接排流电缆的连接造成额外杂散电流的增加。因此出现了选择排流法。

图 4 直接排流法示意图
(2)选择排流法
选择排流法是在排流回路里增加二极管,二极管的加入使得排流设备具备了单向导通的功能,从而避免了上述额外杂散电流的产生。如图5。

选择排流法为国外地铁普遍采用。它能有效防止杂散电流对隧道内金属设备、隧道结构钢筋的电腐蚀破坏,同时也防止了杂散电流向地铁外部泄漏,是一种有效的防护方法。
3.3排流中应注意的问题
排流网的引入会在其周围产生对地电位的下降,从而使电流进入排流网,最终从两侧向排流点集中,通过排流设备流回牵引变电所的负极。在这样的前提下,我们就应注意排流设备的投入时间和排流点的选择。
关于排流设备的投入时间,由于新建线路,线路情况较好,对地的过渡电阻较大,因此杂散电流是很小的。如果此时投入排流设备,势必会造成杂散电流的增大,造成不必要的损失。因此对于新建线路,建议初期只投入杂散电流检测系统,只在必要的时候,再投入排流设备。
关于排流点的选择,在第2节中杂散电流分布计算中,即单边供电,变电所附近走行轨接地情况下,我们注意到,杂散电流成倍地增加。因此我们在选择杂散电流排流的回流点时,应尽量远离牵引变电所,以减小杂散电流的形成。
另外,排流网以及设备的引入还带来了干扰问题,即流向排流网的排流电流在大地中产生电位梯度。当在电位梯度较大的地带正好是在市区、工厂等地下管网构件密集区时,一部分排流电流就会在这些构件的流出点形成电腐蚀现象。因此降低这种干扰现象也是应予以注意的。其主要方法有:在排流回路中串接电阻,适当减少排流电流;选择更适合的排流点;与其它设备共同排流,或安装排流均流线;在相关设备上也安装排流设备。
4结束语
杂散电流的防治是一个多工种,多专业协调配合的工作,它不仅涉及到供电专业,也涉及到结构、管道等等专业,因此无论在设计、施工和运营维护中各个专业的协调配合是做好杂散电流防护的必要前提。
目前杂散电流的防护已被人们所认识,并日益收到人们的重视。但正如《地铁杂散电流腐蚀防护技术规程》中所言,地铁杂散电流腐蚀防护的基本原则应“以治本为主,将地铁杂散电流减小至最低限度”,应以防为主,以排为辅,实行防排结合。积极做好设计、施工和运营维护等各个环节的工作,这样才能取得杂散电流防护的最佳效果。