地铁接地问题研究
北京市城建设计研究院(100037) 黄德胜
[摘 要]:浅埋地下车站结构钢筋,由于杂散电流防护的要求,其横向主筋和纵向分布筋需相互焊接,形成一个庞大的等电位体--法拉第笼,这就是所有电气设备(强电、弱电)最理想的“地”。这个法拉第笼的接地电阻在0.1--0.5W之间,完全符合接地电阻的要求。作为北京地铁第一组“外引接地”的设计者,作者提出取消这种作法,直接利用地下车站的结构钢筋作为自然接地体,地下结构本身就是地铁的“地”。利用地下结构作地铁的“地”,不是靠理论推导出来的,而是用三十多年的工程实践证明出来的,作者列举了大量的实验及测试数据表明,取消地铁的“外引接地”是可行的。
[关键词]:自然接地体 外引接地极 等电位法拉第笼 三相五线制(TN-S)系统 三相四线制接零系统 三相四线制接地系统 中性点绝缘 中性点直接接地
一、前言
关于电气设备的接地技术,各种专业论述和规范很多,这里不准备再进行讨论,本文仅对地铁的接地问题进行探讨。实际上,地铁的电气设备和地面大型公用建筑的电气设备的唯一的差别就是地铁有直流牵引供电系统,正极接触网供电,负极走行轨回流,从走行轨向道床和地下结构泄漏杂散电流。过去三十多年来,地铁的接地装置一直是按照最初设想的方式,设备基础槽钢进行绝缘处理,采用外引接地极,绝缘引入。认为地下结构因有防水层对地是绝缘的,不得进行人为接地。所谓绝缘引入,就是对地下结构的钢筋和外引接地体之间进行绝缘处理,免得杂散电流从外引接地极流出而影响城市的地下金属管网。实际上,地下结构自然接地体的接地电阻值远比外引接地极的接地电阻值小得多,接地极的绝缘引入已没有任何意义。本文就是结合工程实践中所作实验和测试,针对地铁所特有的这些问题加以探讨。
北京地铁一期工程为明挖法施工,接地极可以从侧墙穿出,上海地铁和广州地铁车站为连续墙法施工,在结构底板下打接地极是顺理成章的事。北京地铁复--八线发展到每个车站要打四组外引接地极,强电、弱电、通信信号分别设置,并且提出距离多远等等。因是永久性设施,接地极材质要铜的,每组接地极需有3个以上的引入点,且要绝缘处理,工艺要求复杂。这种作法的必要性有多大?值得怀疑。因为地下结构的钢筋就是一个约五万立方米大的等电位法拉第笼,就是地铁的“地”,是一切电气设备需要的理想的 “地”,舍此而另外去找“地”,实在是令人费解。地面的高层公用建筑,所占地皮有限,向哪里打接地极?公用建筑大楼里既有强电设备,又有弱电设备;其工作接地、保护接地、防雷接地、屏蔽接地等还不是利用大楼的厢型基础钢筋作自然接地体?飞机、轮船上即有强电,也有弱电设备,它们需要接地时,也是在其机身、外壳上想办法;就是地铁的电动客车也是既有强电也有弱电,而且车体本身就是牵引电机的负极,各种电气设备需要接地时也不可能另外再找“地”去,而只能是以自身的金属外壳作自然接地体。这样看来,把地下结构当成地铁的“地”是合乎逻辑的。
二、地铁为什么采用外引接地极
1965年当北京地铁开始设计时,电气设备的工作接地和保护接地如何解决,有两种意见,一种意见认为,地下车站的横向主钢筋和纵向分布钢筋因杂散电流防护的要求,进行相互焊接,构成一个庞大的等电位法拉第笼,用结构钢筋作自然接地体是很合适的,人就在等电位的法拉第笼内活动,是很安全的,是电气设备理想的 “地”。另一种意见则认为,不能用钢筋作自然接地体,需另外打接地极,理由有两个:一是由结构钢筋构成的法拉第笼的接地电阻是多少?谁也说不清楚;二是低压配电系统采用三相四线制接零系统,在钢筋中有不平衡的交流电流通过,对测试钢筋中的杂散电流有无影响?谁也无法说清楚。正是由于这两个当时无法说清楚的原因,作者才将北京地铁第一组接地极设计在峒外,从侧墙穿出,并名曰“外引接地极,绝缘引入”。正是这两个谁也无法说清楚的原因,才使得地铁不能利用自然接地体而需在峒外另打外引接地极。通过三十多年的工程实践和现场实验,证实了这两条理由现在已不复存在。
三、地铁接地网的构成
1.接地网构成
变电所的接地网是由两部分组成的,一部分是由设备的基础槽钢用镀锌扁钢联接起来构成的内部接地网;另一部分就是外引接地极用镀锌扁钢联接起来构成外部接地网。外部接地网绝缘引入在接地端接箱处和内部接地网联接构成地铁的接地网。
1965年当北京地铁开始设计时,牵引变电所的接地系统首先要确定的是属于小接地电流系统还是大接地电流系统?当时可以参考的就是莫斯科地铁,但莫斯科地铁的低压380/220V系统为三相四线制接地系统,而北京地铁选择了三相四线制接零系统,和地面建筑低压配电系统一致。牵引变电所的交流设备和直流设备采用共同的外引接地装置,地下结构钢筋与接地网进行绝缘处理,地下结构外设防水层,当时认为对地的绝缘性能良好。故变电所的接地电阻设计为小于4 W。这种作法是否合适,还有待工程实践进行验证。
2.接地网各部分之间过渡电阻测试
对于浅埋地铁,外引接地极、电气设备的基础槽钢、结构钢筋、走行轨,它们之间究竟是什么关系,是绝缘?还是存在过渡电阻?这个电阻是多少?作者于1979年对北京地铁各部分之间的过渡电阻用电流电压法进行了测试,测试各部分的示意图如图一所示。

图一测试各部分示意图
在进行测试时,把变电所内部接地网和外部接地网在接地端接箱处断开。测试结果如表一、表二、表三所示。
表一 钢筋、走行轨、基础槽钢对外引接地极之间的过渡电阻

表二 结构钢筋、接地网、基础槽钢对走行轨的过渡电阻

表三 设备基础、接地网对结构钢筋的过渡电阻

注:表二、表三中的接地网为内、外接地网在接地端接箱处联接
3.现场测试结论
上面三个表中所列的结构钢筋、设备基础槽钢(内部接地网)、走行轨、外引接地极相互之间的过渡电阻是经过多次测试,各次所测数据稳定,差别甚微。当然上面一些数据是在低压下测出来的。电压改变时,其过渡电阻还可能有变化,只能是随着电压的升高而变小。通过上面所测数据可以得出以下几个重要结论,这些结论和设计的初衷是不一样的:
⑴ 设备的基础槽钢(变电所内部接地网)对结构钢筋并非是绝缘的,它们之间的过渡电阻仅有0.05W。尽管在设计和施工中要求基础槽钢对结构钢筋进行绝缘处理,但在大规模的施工中很难达到绝缘的要求。0.05W的过渡电阻是很微小的,可以忽略不计,可以认为设备的基础槽钢(变电所内部接地网)和结构钢筋实际上是不可分割的一个整体,是联在一起的。
⑵ 设备的基础槽钢(变电所内部接地网)以及结构钢筋对走行轨之间的过渡电阻为0.3W,说明走行轨轨枕下绝缘垫还是起作用的,但大量的绝缘垫并联起来,其过渡电阻还是比较小的。
⑶ 设备的基础槽钢(变电所内部接地网)、结构钢筋、走行轨三者对外引接地极的过渡电阻为1.3-1.5W之间,说明外引接地极和前三者并无任何电气联接,而是独立的。它们之间完全是靠大地联接起来的。
通过上面的三点结论,可以作如下判断:
⑴ 直流750V正极接地时,绝不是小接地电流系统,因为变电所的内部接地网和结构钢筋对走行轨的过渡电阻只有0.3W,当直流750V正极接地短路时,短路电流通过基础槽钢、结构钢筋而直接流向走行轨(负极)。
⑵ 直流750V正极接地,其接地电流大部分通过结构钢筋流向走行轨(负极),只有小部分通过外引接地极流向走行轨(负极)。
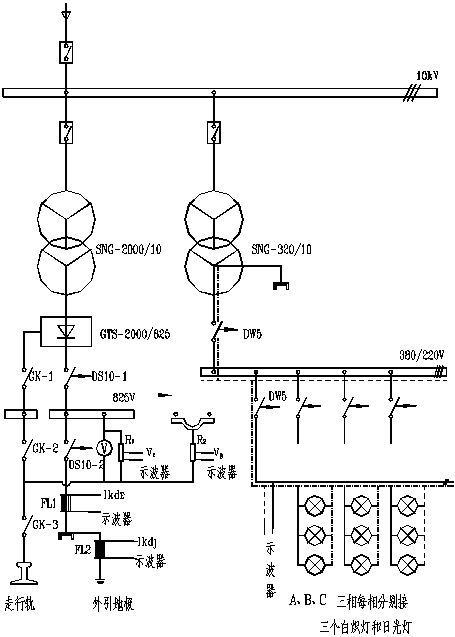
三、直流750V接地试验
长期以来,认为750V接地电流是由变电所的接地电阻决定的,在保护上采用了接地后发出信号,交直流设备共用同一组接地装置。当直流发生接地后对交流有无影响?尤其是电力变压器低压侧中性点直接接地,中性点是否会发生偏移?为了澄清这些问题,只有通过现场实验才能得出正确的结论。作者于1979年曾作过一次现场实验,实验结果如下。
试验线路如图二所示。整个变电所是处在正常供电状态。实验是在复兴门站变电所进行,实验时用SC10十线示波器拍摄以下十条曲线,动力照明系统的三个线电压、三个相电压、变电所直流母线电压、钢筋对负母线(走行轨)电压、总的接地电流、通过外引接地极的接地电流。

图二 接地实验线路图
750V接地试验分四次进行,一次为回流开关断开;一次为串联0.987W电阻;另两次为直接进行接地短路。下面摘录其中的两张示波图。如图79610-03,79614-02所示。
1. 回流开关GK2断开,合DS10-2快速断路器,将直流750V正极接于变电所的接地网上,拍摄
示波图,从图中可以看出:

⑴ 因走行轨回流开关断开,所以总接地电流和流入外引接地极的电流都等于零;
⑵ 接地后变电所的直流母线电压UC没变化;
⑶因断开回流开关GK2,钢筋上有一电压存在(而合上回流轨这一电压消失),当750V接地时,钢筋上的电压Ug即为直流母线电压UC;
⑷ 750V正极接地时对380/220伏系统的线电压、相电压都没有影响,接于三相的照明灯无变化。
第二次直接接地试验示波图如79614-02

从图中可以看出:
⑴ 接地电流IkdS=9060A,流入接地极电流IKdj=120A
⑵对380/220V系统无影响,接于三相的照明灯无变化。
⑶钢筋对走行轨电压有一突变,开关断开后即消失。
750V接地试验结果综合分析见表四。
表四 示波图分析综合表

四、现场实验结论
通过现场实验,进一步说明了以下几个问题。
1. 地下铁道直流750V接地,其接地电流的大小不受外引接地极的接地电阻的影响(或影响甚微),而是受变电所内部接地网与走行轨间的过渡电阻的影响。
2. 750V直流设备与交流设备采用共同保护接地装置,750V接地时,属大接地电流系统而不是小接地电流系统,接地电流可高达9kA。此时钢筋-走行轨间的过渡电阻不是0.3W,而是在0.07W以下。
3.接地短路电流并不是通过接地极流向走行轨(负极),而是96%以上的接地短路电流通过结构钢筋直接流向走行轨的,通过接地极的电流只占总接地电流的1.3%-3.6%。
4. 直流750V系统与交流系统采用共用接地装置,750V发生接地时对交流380/220V系统没有影响。
5. 750V接地保护应动作跳闸,而不应只发出接地信号。
五、地铁接地电阻测试
在测试接地电阻时,将内部接地网和外部接地网在接地端接箱处断开。前面已经谈到,变电所的内部接地网(设备的基础槽钢)和结构钢筋之间并不存在什么绝缘问题,其过渡电阻在0.05W以下,而基础槽钢对走行轨的过渡电阻与结构钢筋对走行轨的过渡电阻相同,皆为0.3W,因此可以把设备基础槽钢和结构钢筋看成是等电位体。而过去认为地下结构的外层作了防水层,对大地是绝缘的,因此地下结构对地不仅具有防水性能,同时也具有绝缘性能。通过现场实验,证实了这种设想与实际情况是不相符的。
1. 1979年测试结果
作者于1979年7月份对北京地铁的一线六个车站和环线的三个车站变电所的内部接地网和外部接地网进行了实地测试,测试结果如表五所示。
表五 北京地铁车站变电所接地电阻测试结果

注:变电所总接地电阻为内部接地网与外部接地网联接后所测接地电阻,使用ZC-8型接地电阻测量仪,测试季节为7月。
上面表中所列变电所接地电阻是二十年前所测得的数据,从所测数据可以得出以下几点结论:
⑴ 九个车站内部接地网的接地电阻均在0.5W以下,而外引接地体的接地电阻均³1W,接地装置总电阻的大小取决于内部接地网的接地电阻。
⑵ 二期环线三个车站(表中的前三个车站)的内部接地网的接地电阻值和一期工程的六个车站的内部接地网的接地电阻值差别不大,这说明此电阻值不受通车及修建年限的影响。
⑶ 一期六个站的内部接地网电阻值的大小,略受车站水位高低影响,东边几个站的水位高其电阻值也略小些。
⑷ 北京地下铁道各车站内部接地网的接地电阻值差别不大,且数值大小稳定,完全能满足规程上对接地电阻值的要求。
2.1988—1997年测试结果
在三十多年的运营中,北京地铁公司也曾对北京地铁一线和环线的车站变电所的接地电阻进行了多次全面的测试,其测试结果摘录如表六、表七所示。
表六 北京地铁一线各变电所接地电阻实测值

注:所测接地电阻为内部接地网与外部接地网在接地端接箱处联接所得数值,使用ZC-8型接地电
阻测量仪,测试季节为4月至6月15日。
表七 北京地铁环线各变电所接地电阻实测值

注:所测接地电阻为内部接地网与外部接地网在接地端接箱处联接所得数值,使用ZC-8型接地电阻测量仪,测试季节为4月至6月15日。
3.测试结论
通过三十多年的工程实践证明,当初地铁不能用自然接地体而要另外打外引接地极的两个理由已不复存在。
⑴ 地下结构钢筋的接地电阻在0.5W以下
从1979年的测试数据中可以看出,二十年前所测试的变电所的接地电阻值,和近十年北京地铁公司所测得的结果是惊人的相似。在时间跨度二十多年的时间里由不同的单位、不同的参加测试人员、在不同的时间、用不同的测试仪器,所测结果完全一致,说明这些数据是可靠的,结论是可信的。
通过二十多年前的测试和近十几年的测试,都证明了地下车站的结构钢筋的接地电阻值很低,都在0.5W以下。这给三十六年前不能用地下结构钢筋作自然接地体的第一个理由,既地下结构钢筋的接地电阻究竟有多大?是否符合接地电阻的要求?通过实际测试,在工程实践中作了明确的答复:这一电阻值是完全符合规程要求的。
⑵ 地下结构钢筋中没有交流不平衡电流
北京地铁一期工程和环线工程的低压配电系统采用三相四线制接零系统,在结构钢筋中存在交流不平衡电流。随着科学技术的不断发展,地铁的低压配电系统向国际上接轨,向地面工程靠拢,从上海地铁一号线开始,低压配电系统已采用三相五线制(TN-S)系统,北京地铁的复--八线、广州地铁一号线均采用这一系统,地线和中性线分开,在地线中没有交流不平衡电流,对测试钢筋中的杂散电流没有影响。这就给三十年前不能用地下结构钢筋作自然接地体的第二个理由作了答复,即钢筋中不存在交流不平衡电流。当初不能用结构钢筋作自然接地体的理由就这两条,没有其它任何原因。现在,不能用地下结构的钢筋作自然接地体的理由已不复存在了,这不仅是依靠理论推导和论证,而是用三十多年的工程实践证明了这一点。
⑶ 外引接地极不仅多余反而有害
实践证明,设备基础槽钢、结构钢筋、外引接地极是联在一起的,地下结构钢筋已经人为接地,外引接地极不仅多余反而有害。不管原来设想如何进行绝缘处理,其结果也是无济于事。实际上北京地铁就是在用地下结构作自然接地体、结构钢筋进行人为接地的状态下运行了三十多年。这可一直被认为是“违犯规程”的,但确是事实。结构钢筋本身属于自然接地,有外引接地极反而把结构钢筋人为接地了,为杂散电流向外扩散提供了可能的通路。因此建议北京地铁把已投入运营的地下车站各变电所的外引接地极取消,以减少杂散电流可能向外扩散的通路。
六、结论
1.地下结构钢筋可以作自然接地体
地下车站结构的钢筋可以作为地铁电气设备(包括强电和弱电)的共用的自然接地体。由于杂散电流防护的要求,结构的横向主筋和纵向分布筋相互焊接,构成一个庞大的等电位法拉第笼,这个法拉第笼约有50000m3,这就是地铁的“地”,是一切需要接地的电气设备最理想的“地”,经测试,它的接地电阻在0.5W以下,有的甚至达到0.1W以下。这一电阻值很稳定,无论是新建地铁还是已运营多年的地铁,这一接地电阻值几乎没有什么变化。取消外引接地极,利用地铁这个现成的自然接地体,不仅可以节省大量铜材,还可以减化施工程序,无疑对地铁建设是非常有利的。
2.低压TN-S 系统使结构钢筋中没有交流不平衡电流
电力变压器低压侧中性点直接接地, 低压配电系统采用三相五线制(TN-S)系统,地线和中性线在变电所一点接地,低压馈出分开,负荷端中性线不接地,因而地线中没有不平衡交流电流,当然结构钢筋中也不存在不平衡交流电流,故对测试杂散电流没有影响。
3.不能用结构钢筋作自然接地体的理由已不存在
经过三十多年的实践,经现场实验、测试和分析,当初北京地铁开始设计时,认为不能用地下结构钢筋作自然接地体、而必须采用外引接地极的两个理由已不存在了,实践证明,地下结构钢筋本身就是地铁的 “地”,其根据就是以下三点:
⑴地下结构钢筋和变电所内部接地网是联在一起的,其过渡电阻甚微仅为0.05W;
⑵地下结构钢筋的接地电阻经多次测试,均在0.5W以下,有的甚至在0.1W以下;
⑶直流750V接地短路电流绝大部分(96%以上)经结构钢筋流入走行轨(负极),而只有1-3%的短路电流经过外引接地极。
目前地面大型公用建筑的发展趋势是充分利用自然接地体,采用共用接地装置。北京地铁的实践证明了地下结构可以作为自然接地体,地铁也应和地面公用建筑一样,充分利用地下结构作为电气设备的共用自然接地体。
七、结束语
通过三十多年的工程实践和多次现场实验和测试,得出了上面的三条结论,希望关心地铁建设和对接地问题有研究和感兴趣的同志,提出建议和意见。更期望已建成运营的上海地铁、广州地铁的同行也能作些相应的实验和测试,并得出必要的结论。实践是检验真理的唯一标准,以科学实验和测试数据作根据,用事实说话,避免坐而论道,可能是解决地铁接地问题的最好办法。
参考文献
1. 地铁直流825V接地试验报告 基建工程兵北京指挥部科研设计院 (北京市城建设计研究院前身) 1979.11
2. 地铁强弱电系统接地技术研究 北京地铁总公司科研所 1997.11
3. 建筑电气设计手册 中国建筑工业出版社 1993
4. 民用建筑电气设计规范 中国计划出版社 1993