广州地铁二号线整体道床60kg/m9号单开道岔
S700K电动转辙机及分动外锁闭的安装与调试
摘要:依托广州地铁二号线信号系统安装工程,对S700K电动转辙机和分动外锁闭道岔转辙装置的安装与调试进行总结,研究、开发出标准作业程序,提高工效。
关键词:S700K电动转辙机、分动外锁闭、安装、调试
1.概述
S700K电动转辙机采用的是德国西门子技术,由于内部结构简单,其保养维修工作量很少,大多数保养工作在短时间内即可完成,而且工作可靠。S700K电动转辙机已在国内大铁路的提速道岔上广泛使用。
分动外锁闭安装装置能可靠地锁闭道岔尖轨和基本轨,确保4mm不锁闭功能。在锁闭状态下能牢牢地把尖轨与基本轨锁闭在一起,即使连杆折断,外锁闭仍在起着锁闭作用。同时,外锁闭能隔离列车通过时对转换设备的振动和冲击,提高转换设备的使用寿命和可靠性。
广州地铁二号线道岔采用整体道床60kg/m9号单开道岔,因此S700K电动转辙机和分动外锁闭的安装与调试与大铁路有所区别,需要研究、开发许多新的施工技术;同时也是国内首次在城市地铁线路中使用S700K电动转辙机和分动外锁闭,其安装与调试技术对今后地铁线路中同类型的道岔转辙装置安装与调试具有借鉴作用。
2.S700K电动转辙机与分动外锁闭工作原理
(1)S700K电动转辙机工作原理
S700K电动转辙机采用三相交流电源,转辙机内部结构如图2.1。

图2.1 转辙机内部结构图
转辙机内部电路如图2.2。

图2.2 转辙机内部电路图
转辙机动作过程电机线圈电路变化如图2.3。

(2)分动外锁闭工作原理
外锁闭装置解锁、转换、锁闭过程:初始状态如图2.4,左侧密贴尖轨处于锁闭状态,右侧斥离尖轨与基本轨保持要求的开口,密贴尖轨锁钩同时被锁闭铁和锁闭杆卡住不能落下,斥离尖轨锁钩的缺口卡在锁闭杆的凸起处不能移动,从而保持斥离尖轨与基本轨的开口基本不变;解锁状态如图2.5,锁闭杆向右移动,斥离尖轨向密贴位移动,同时密贴尖轨处锁闭杆相对锁钩移动,当锁闭杆凸起与密贴尖轨锁钩缺口对齐时,锁钩落下卡在锁闭杆凸起内,尖轨与基本轨解锁;锁闭杆继续向右移动,通过锁钩带动斥离尖轨和密铁尖轨同步向右移动,当锁闭杆带动道岔转换至右侧尖轨与基本轨密贴时(如图2.6),开始进入锁闭过程;锁闭杆继续向右移动,右侧锁钩沿锁闭杆斜面向上爬起,当锁钩升至锁闭杆凸起顶面时,进入锁闭状态(如图2.7),同时左侧尖轨继续向右移动至要求开口,完成转换过程。

图2.4 外锁闭装置初始锁闭状态


图2.7 外锁闭装置转换完成锁闭状态
3.安装与调试
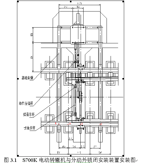
S700K电动转辙机与分动外锁闭安装装置安装如图3.1。
图3.1 S700K电动转辙机与分动外锁闭安装装置安装图

S700K电动转辙机与分动外锁闭安装装置安装及调试流程如图3.2。

(1)钢轨钻孔
1) 检查道岔方正,是否达到安装要求。
2) 按图3.1所示尺寸分别对两侧钢轨进行测量:
a.首先确定尖轨尖端处混凝土方枕中心位置(固定螺栓孔中心),并标注在轨面上(A点);
b.以A点为基准,向岔前方向测量265mm,在轨面上标注(B点),此点为前角钢安装孔位置;
c.以B点为基准,向岔后方向测量1153mm,在轨面上标注(C点),此点为后角钢安装孔位置;
d.以A点为基准,向岔后方向测量360mm,在轨面上标注(D点),此点为锁闭框安装中心位置。
测量要平行于线路中心线,即在直股基本轨上测量,则顺着钢轨测量,在曲股基本轨上测量,则平行于直股基本轨测量。
3) 用一块角形铁和锁闭框为模板分别在轨腰上标记钻孔的中心位置,并冲一钻孔号眼。
4) 使用φ21的钻头依次对标记点进行钢轨钻孔。
5) 一组道岔所有安装孔钻完后应复检钻孔位置是否符合尺寸。
(2)S700K电动转辙机安装
1)材料加工
a.螺栓头部加工
由于尖端铁靠近尖轨尖端的安装螺栓头部所处空间(尖轨与基本轨之间缝隙)很小,因此螺栓头部应比标准螺栓头部薄(标准为10mm),如果厂家到货没有进行特殊加工,则施工单位应在施工前将此处螺栓头部做加工处理,如图3.3。

b.长基础角钢加工
长基础角钢与角形铁的连接孔加工位置应与道岔安装左、右侧(面向岔尖),保持一致,连接孔中心应在角钢安装水平面的中心轴线上,前后左右偏差均不得超过1mm,如图3.4。由于现场加工条件限制,为保证精度,可在订货时将加工尺寸提供给厂家,由厂家在生产时一并加工,但左、右侧及直线、曲线侧安装的数量必须事先统计清楚。


c.短基础角钢加工
为了便于调整转辙机与外锁闭各杆件连接平顺、无别卡现象,转辙机应在顺线路方向有一定的调整空间,因此需将短基础角钢上的转辙机安装孔扩成长孔,如图3.5。
图3.5 短基础角钢安装孔加工
2)安装
a.清扫整体道床基础角钢安装槽道及转辙机安装坑,无大块杂物。
b.将前、后长基础角钢穿入槽道内,将4块角形铁分别与钢轨连接,暂不拧紧连接螺栓,以便长基础角钢能够与角形铁顺利连接。
c.将长基础角钢与角形铁连接,中间加入绝缘垫板、绝缘管和钢垫板等,暂不拧紧连接螺栓,以便短基础角钢能够与长基础角钢顺利连接。
d.将短基础角钢与长基础角钢连接,注意转辙机安装孔的方向与转辙机安装左、右侧一致,若短角钢安装后角钢底部至地面的距离小于S700K转辙机的4颗固定螺栓长度,则应先将固定螺栓由短角钢底部向上穿过短角钢后再将短角钢安装在长角钢上。暂不拧紧连接螺栓。
e.依次序拧紧角形铁与钢轨连接螺栓、长基础角钢与角形铁连接螺栓、短基础角钢与长基础角钢连接螺栓,拧紧角形铁与钢轨连接螺栓时注意角形铁应紧贴轨底上坡面,拧紧长基础角钢与角形铁连接螺栓时应注意各垫板摆放顺序正确和绝缘管应充分套入角钢安装孔内,如图3.6。

f.将转辙机安装在短基础角钢上。此时可进行转辙机配线。
g.安装尖端铁
尖端铁主要用于连接道岔的尖轨与长短表示杆。每组道岔的尖端铁有左、右两个,分别安装在左、右两侧尖轨上。由于尖轨上尖端铁的安装孔已在制造道岔时预制好,因此在道岔铺设完成后即可安装。安装时注意薄、厚头部螺栓的安装位置正确。
h.将长、短表示杆连接到尖端铁上,表示杆另一端暂不连接到转辙机检测杆,可在调试过程中完成连接。
i.动作连接杆在分动外锁闭装置完成安装后将一端连接在锁闭杆上,另一端与转辙机动作杆在调试过程中完成连接。
(3)分动外锁闭安装
1)材料加工
由于尖轨连接铁一颗安装螺栓与锁闭框一颗安装螺栓的头部在尖轨与基本轨之间缝隙中相抵触(如图3.7),因此螺栓头部应比标准螺栓头部薄(标准为10mm),如果厂家到货没有进行特殊加工,则施工单位应在施工前将此处螺栓头部做加工处理,如图3.3。

2)安装
a.拆除道岔两侧尖轨的第1、2、3连接方钢。
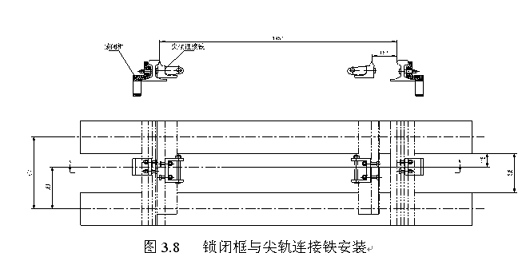
b.将两侧的锁闭框和尖轨连接铁分别安装在两侧的基本轨和尖轨上,如图3.8,安装前需将安装侧的尖轨拨离基本轨。锁闭框安装螺栓应大约在锁闭框安装长孔的中心位置,并暂不拧紧,便于随后调整。

c.将锁闭杆按图3.9所示位置装入锁闭框内。锁闭杆为两段式,中间为绝缘连接,先将两段进行中间连接,再穿入锁闭框内,调整锁闭框使锁闭杆在锁闭框内摆放平顺,不别卡。

d.将尖轨连接铁上销轴事先取出,注意保持销轴表面清洁。将即将安装锁钩的一侧尖轨拨离基本轨,取掉锁钩挡板最下方的对穿螺栓和套管后,将锁钩放在锁闭杆上,锁闭杆卡在两档板中间,锁钩缺口卡在锁闭杆的凸起处,恢复挡板最下方的对穿螺栓和套管,如图3.10。过程中保持锁钩孔内清洁无异物并润滑油均匀。

e.拨动锁闭杆,当锁钩孔对上尖轨连接铁的销轴孔时,穿上销轴,销轴一端带上平垫、弹垫、M20螺母并拧紧,传入开口销,如图3.11。
f.将锁闭铁插入锁闭框方孔内,同时将固定螺栓一头钩住基本轨,另一头穿入锁闭框和锁闭铁安装孔内,带上平垫、弹垫和M20螺母使固定螺栓和锁闭铁不松动,暂不拧紧,如图3.12。

图3.12 锁闭铁安装
g.撬动本侧尖轨使尖轨与基本轨处于密贴状态,另一侧尖轨处于自开状态,用手托起锁钩,拨动锁闭杆至如图3.13所示位置。

h.按照步骤c、d、e安装另一侧锁钩、锁闭铁和固定螺栓,如图3.14。

i.手摇转辙机使转辙机动作杆状态与道岔状态一致时,通过动作连接杆将锁闭杆与转辙机动作杆连接在一起。调整锁闭框使锁闭杆与转辙机动作杆平行,并且转换过程中锁闭杆平顺不别卡,然后拧紧锁闭框与基本轨的固定螺栓。
(4)S700K电动转辙机与分动外锁闭调试
首先使转辙机在手操状态下调整道岔的机械参数符合要求,包括尖轨开口调整、尖轨密贴调整、转辙机表示缺口调整;然后使转辙机在电操状态下对道岔机械参数进行复检和一致性检查。
1)尖轨开口调整
分动外锁闭装置要求尖轨在牵引点(锁闭杆中心轴线)处的动程为152mm,即道岔锁闭状态时斥离尖轨与基本轨在锁闭杆中心轴线处的开口距离。
首先通过调整动作连接杆与转辙机动作杆连接的活动接头使两侧尖轨在道岔锁闭状态时的开口接近152mm,并且相差不超过3mm,然后检查道岔开口是否符合规定要求,若一侧开口大于要求值,可通过增加尖轨连接铁与尖轨间的调整片进行调整(如图3.15),反之则通过减少尖轨连接铁与尖轨间的调整片进行调整,调整片的增减量一般与开口的需调整量相当。当本侧开口调整达到要求,转换道岔,以同样方式进行另一侧开口的调整。两侧开口值在规定范围内应尽量一致。

图3.15 尖轨开口调整
2)尖轨密贴调整
通过逐步增减锁闭铁和锁闭框之间的密贴调整片保证尖轨和基本轨密贴,如图3.16。若道岔锁闭状态时尖轨与基本轨有明显缝隙,可增加密贴调整片进行调整,若转换过程中尖轨与基本轨已经密贴但道岔无法锁闭或明显感到锁闭非常吃力,说明密贴过紧,可减少密贴调整片进行调整。

图3.16 尖轨密贴调整
3)转辙机表示缺口调整
将长、短表示杆连接到转辙机检测杆上。将道岔转换为转辙机在伸出状态并且道岔锁闭时,通过调整长表示杆的伸缩量使转辙机内的指示标对准伸出检测杆的缺口中心(指示标距缺口两边有1mm以上空间);将道岔转换为转辙机在缩入状态并且道岔锁闭时,通过调整短表示杆的伸缩量使转辙机内的指示标对准缩入检测杆的缺口中心。调整完成后观察道岔在解锁和锁闭过程中速动开关组是否动作正常。
4)转辙机模拟通电调试及道岔一致性检查
a.通电模拟电路
广州地铁二号线信号系统道岔是由系统联锁软件和接口单元进行驱动。在系统联锁软件和接口单元没有达到使用条件的前提下,要对道岔室外部分进行通电调试,须根据转辙机驱动原理自制一套模拟驱动电路,如图3.17。改变输入到转辙机的三相交流电的相序可使转辙机反复动作,通过输入到转辙机电机W、V线圈的相位的相互交替来达到此目的。

图3.17 S700K电动转辙机通电模拟电路
b.模拟调试程序
①室内按照模拟电路将送电装置的三相输出接到每组道岔转辙机相应的三相端子上,其中需要转换的两相必须接在对应W、V线圈端子上,闸刀呈断开状态;N相与转辙机N相直接连接。将转辙机与室内设备柜电路断开。
②室内、外将电话机挂在电话线上。
③室外将转辙机遮断开关合上,接通电操启动电路。
④室内、外准备工作做好并互相联系确认后,室内将三刀双掷闸刀先向任意一侧合上,若道岔转动,则说明相位正确,转到下一步继续;若道岔不转动,则说明相位不正确,再将三刀双掷闸刀合向另一侧,道岔转动后转到下一步继续;若两侧均不转动,检查配线正确并重复本步骤。
⑤进行道岔调试及检查;室内人员保持与室外人员联系并注意保险及电缆、线状态,若有异常情况及时断电,室外道岔若未转换到位进行手摇到位。排除故障后重新进行检查。道岔转换到位后应将三刀双掷闸刀扳到中间双断位置,切断室内与转辙机之间的电源,以便进行下一步的表示一致性检查。
⑥调试、检查完成后将室外转辙机切断开关断开,室内将三刀双掷闸刀断开、配线架配线恢复。进行下一组道岔试验。
c.调试及检查内容
①道岔转动时室外人员注意检查转辙机动作、声音是否正常,道岔动作是否正常、是否有吃力、卡阻现象,道岔锁闭是否正常等。
②对道岔进行4mm不锁闭和2mm锁闭检查,即道岔转换过程中,在牵引点处尖轨与基本轨密贴面之间卡入4mm厚隔板,道岔不得锁闭和接通表示;卡入2mm厚隔板,道岔能够锁闭和接通表示。若没有达到要求或多次试验时状态不稳定,则须对道岔密贴进行微调,直至多次试验状态均稳定。
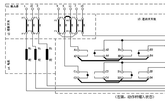
③道岔解锁及锁闭过程中观察速动开关组是否动作正常,道岔表示回路接通是否正常。结合图2.3,通过对表示回路通断的测试检查道岔室外状态与室内表示的一致性,测试方法及记录如表3.1。
表3.1 S700K电动转辙机通电模拟试验记录表

(5)注意事项
1)在道岔铺设完成后进行整体道床的混凝土浇筑时,应随时跟踪调查转辙机安装坑及外锁闭和基础角钢安装槽道的预留是否符合信号安装要求,位置见图3.15阴影部分。其中长基础角钢槽道的深度为轨底以下120mm,外锁闭槽道深度为轨底以下170mm。

2)应注意受地铁隧道空间限制,部分道岔长基础角钢穿入轨底时需工务部分配合抬轨。
3)调试过程中应注意观察道岔轨距是否符合标准,尖轨底部与滑床板是否接触良好、无跳板现象,尖轨在锁闭位置处的上拱高度不得大于5mm,若影响调试须请工务部门协助整治。
4)道岔安装调试完成后应检查确保接地连接已按照设计要求完成,并确保安装装置中各绝缘连接处绝缘良好。
5)道岔的开口与密贴调整应综合考虑两侧状态的一致性,并且密贴调整完成后应复检开口有无变化,必要时应重复调整。
参考资料:
《60kg/m钢轨9号单开道岔外锁闭装置安装图(图号:广地001)》(北京全路通信信号研究设计院)
《60kg/m钢轨9号单开道岔转辙机安装图(图号:广地002)》 (北京全路通信信号研究设计院)
《60kg/m钢轨9号单开道岔外锁闭装置安装图(图号:广地003)》(北京全路通信信号研究设计院)
《60kg/m钢轨9号单开道岔转辙机安装图(图号:广地004)》 (北京全路通信信号研究设计院)
《S700K型电动转辙机保养维修手册》(西门子信号有限公司)