nbsp; 地铁牵引供电系统保护
黄德胜
【摘 要】作者根据自己的实践经验,提出牵引变电所两种不可或缺的保护:牵引变电所内部联跳、因馈线开关没有远后备保护,故应设开关失灵拒动保护。迅速切断电源是一切继电保护的最终目的,直流电路尤其如此。为迅速切断电源,在短路电流上升过程中将其遮断,是直流保护应当遵循的基本原则。文中分析了三种保护上“死区”形成的原因,为使馈线开关保护更加完善,直流馈线应设开关失灵拒动保护,以使列车运行更加安全。
【关键词】牵引变电所 内部联跳 馈线开关 开关失灵拒动 短路电流 死区。
一、概述
地铁直流牵引供电系统的保护,可以分为两部分:牵引整流机组保护和直流馈线保护。牵引供电系统保护的最大特点就是系统的“多电源”和保护的“多死区”。所谓多电源, 既当牵引网发生短路时, 并非仅双边供电两侧的牵引变电所向短路点供电, 而是全线的牵引变电所皆通过牵引网向短路点供电。所谓多死区, 是因牵引供电系统本身构成的特点和保护对象的特殊性而形成保护上的“死区”。任何保护的最基本要求就是当发生短路故障时, 首先要迅速“切断电源”、“消除死区”, 针对这两点, 牵引供电系统除交流系统常用的保护外, 还设置了牵引变电所内部联跳、牵引网双边联跳、di/dt △I 等特殊保护措施, 这就可以完全满足牵引供电系统发生故障时切断电源、消除死区的要求。对任何供电系统的继电保护而言, 可靠性总是第一位的, 而对直流牵引供电系统, 速动性可以看成和可靠性是同等重要的, 所以直流侧保护皆采用毫秒级的电器保护设备, 如直流快速断路器、di/dt △I 保护等, 目的就是在直流短路电流上升过程中将其遮断, 不允许短路电流到达稳态值。至于选择性, 在直流牵引供电系统中则处于次要位置, 其保护的设置应是“宁可误动作, 不可不动作”。 误动作可以用自动重合闸进行矫正; 不动作则很可怕, 因为牵引供电系统短路时产生的直流电弧, 如不迅速切断电源,电弧可以长时间维持燃烧而不熄灭; 而交流电弧则不同, 其电压可以过零而自动熄灭。
关于地铁牵引供电系统的常用保护,已为业内人士所熟知,这里不再多作介绍。下面谈一下容易被人忽视的两种保护。
二、引变电所内部联跳保护
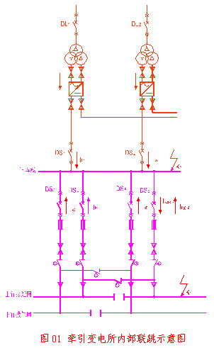
牵引变电所内部联跳的定义:当发生短路故障引起两台整流机组直流引入断路器或交流断路器同时跳闸时,应迅速跳掉全部直流馈线断路器,以及时切断电源。见图(01)

当牵引变电所内部发生短路时,如 K2点短路,则流向短路点的短路电流有6路,两台整流机组2路:IK1 、IK2 ,相邻牵引变电所通过4路馈线开关流向短路点的有4路: IK3、IK4 、IK5 、IKy 。若只跳掉两台整流机组的直流开关或交流开关是不够的(只切断 IK1 、IK2 ),相邻牵引变电所仍会通过牵引网继续向短路点供电( IK3、IK4 、IK5 、IKy),因此必须跳掉直流母线上所有开关,以切断电源,实现牵引变电所内部联跳;
当牵引变电所外部发生短路时,如 K1点短路,则流经DS6开关的短路电流有5路,两台整流机组2路: IK1 、IK2,相邻牵引变电所通过3路馈线流经DS6开关的短路电流有3路: IK3、IK4 、IK5,此时若馈线开关DS6拒动,而又没有远后备保护,此时只能通过牵引变电所内部联跳及时切断电源。
牵引变电所内部联跳的保护范围:无论是牵引变电所内部短路还是外部短路,凡引起两台整流机组同时跳闸的故障均应实行牵引变电所内部联跳。
由图01可以看出, 流经馈线开关DS6的短路电流IKZ 是由 IK1→IK55个短路电流组成的, 这就说明, 如果馈线开关DS6失灵拒动, 要切断短路点的电源, 只跳掉DS1、DS2是不够的, 还要跳掉DS3、DS4、DS5等5路开关, 即必须跳掉牵引变电所直流母线上的所有开关。
牵引变电所内部联跳保护, 就是为当发生短路故障时, 迅速切断电源的一种保护措施。如发生一路馈线开关失灵拒动或两台整流机组直流侧两路开关同时跳闸(或两路交流中压开关同时跳闸),为迅速切断电源, 都必须实行变电所内部联跳, 既跳掉直流母线上的所有开关, 否则不能切断电源, 如图(01)所示。
图中 K1 (牵引变电所外部短路)和 K2 (牵引变电所内部短路) 点短路时, 如果DS1 、DS2 两台直流断路器或DL1 、DL2 两台交流断路器同时动作, 则必须实行变电所内部联跳, 跳掉所有直流馈线断路器。即跳掉DS3、DS4、DS5等馈线开关, 否则不能切断电源, 相邻牵引变电所继续向短路点供电。
三、直流馈线开关失灵拒动保护
目前国内地铁直流馈线开关设置了多种保护和自动装置,这些都是必要的,但尚缺少一种重要的保护:开关失灵拒动保护。当开关失灵拒动时,开关本身设置的所有保护均失效,而馈线开关又没有远后备保护,这是直流馈线保护的“软肋”。众所周知,从牵引变电所的主接线上看,直流馈线开关没有远后备保护设备,这是由地铁供电网络的构成特点所决定的。在直流母线上共设置6路开关:2路直流引入开关、4路馈线开关,见图(01)。从电源角度讲,每路馈线开关的上一级有5路电源开关,这和交流电路不一样,交流电路上一级只有一路开关,所以当下一级开关失灵拒动时,上一级开关可以作为它的远后备保护。直流则不然,它的上级5路开关都不是它的远后备保护设备。从图(01)中可以看出,当 K1点发生短路时,如为变电所出口短路,馈线开关失灵拒动可能引起2路直流引入线开关跳闸,引起变电所联跳,及时切断5路电源。如果发生远端短路,馈线开关失灵拒动就非常危险,此时将有5路短路电流IK1 、IK2 、IK3、IK4 、IK5 持续不断流入短路点,短路点的直流电弧将烧毁一切,对于运行的电动车辆,尤其危险,对人身安全造成极大的危害。
其实,解决这一问题并不需要什么高深技术和增加投资,直流电路保护的最大特点就是一个字:“快”,迅速切断所有电源的唯一可靠的办法就是通过牵引变电所内部联跳,迅速切断电源。
判断馈线开关失灵拒动有两个条件:
1. di/dt △I / △t动作;
2. 经一定的时限馈线开关不动作(开关辅助常开接点仍处于合闸位置)。
将上两个条件组成“与”电路,即di/dt △I / △t动作信号、经一定可调整的延时(30~100ms),而开关辅助常开接点仍处于合闸位置,既判断为开关失灵拒动。应及时实现牵引变电所内部联跳,切断短路点的电源。
牵引变电所内部联跳、馈线开关失灵拒动两种保护,希望能引起业内人士的重视。
三、直流馈线保护的死区
直流馈线保护, 在牵引供电系统中是最重要的保护, 这是由它的供电方式和供电对象的特点决定的。因供电方式不同而形成保护上的不同的“死区”; 因供电的对象是随时变化并移动的负荷, 还需要在保护上进行配合, 这就形成了保护上的特殊要求。直流馈线保护首先是以保障列车的正常运行、保护旅客的人身安全为第一要素。
1.死区的形成 因供电方式的不同, 保护设置不同, 形成保护上的死区也不同, 单边供电死区发生在供电区段的末端附近; 大双边供电死区发生在供电区段的中点附近, 运行列车主保护不能断弧时死区发生在电动车辆的上,可以发生在列车运行区间的任何位置。
死区的大小和供电方式、供电距离、保护措施有密切的关系, 采取适当的供电方式和保护装置, 死区是完全可以消除的。
⑴ 单边供电死区发生在末端
死区的大小, 取决于开关整定值的大小和供电距离的大小, 当只靠开关本身整定值保护时,形成死区的范围见图(02)。

由图02可见, 单边供电时, 开关整定值越大, 死区越大; 供电距离越长, 死区也越大, 图中Izd为馈线开关整定值。 1.2Izd是考虑开关整定值有10%的误差时确定保护死区的范围。
⑵ 大双边供电死区发生在中点附近
如果只靠开关的大电流速断保护, 死区会出现在两端变电所的附近, 这里所说大双边供电死区发生在中点是指馈线保护设置了双边联跳装置以后形成的死区。正常双边供电是不会形成死区的, 因为区间任何一点发生短路, 都可以使一端开关跳闸, 并使另一端开关联跳。而采用大双边供电时, 在供电区的中点附近可能出现死区, 见图(03)。

图中Izd为馈线开关整定值。
⑶ 列车主保护不能断弧形成的死区
这一死区发生在车上, 范围在整个供电区间都可能发生, 直接威胁旅客的生命安全, 非常可怕。要求变电所的馈线保护和车辆的主保护要相互配合和协调。
牵引变电所保护和地铁车辆的主保护相互配合的基本原则是:
① 地铁车辆主保护应当“自己保护自己”, 即地铁车辆在运行中无论在任何地点, 当车辆发生短路故障时, 其主保护应动作可靠, 不允许有拉弧现象, “要动作就可靠动作并断弧, 不动作就拒动”。绝不允许开关动作而出现燃弧现象。
② 牵引变电所馈线保护应当延伸至车上, 作为车辆主保护的后备, 以防万一。
消除以上三种保护上的“死区”,可靠的办法就是馈线开关设置双边联跳、di/dt △I / △t保护装置及开关失灵拒动保护装置,以使地铁列车运行更加安全。
Metro Traction Power Supply System Protection
Huang Desheng
(Beijing Urban Engineering Design & Research Institute Co.,Ltd., Beijing 100037)
【Abstract】Based on auther’s working experience in metro projects, put forward two kinds of protection method which are absolutely necessarily for the traction substation, the inter-tripping of breaker and the breaker failure and tripping disabled protection, because no remote standby protection is installed in feed breaker. Cutting off the power supply immediately is the final aim of all relay protection, especially for the DC system. In order to cut off the power quickly, the principle that the short-circuit current should be cut off in its rise process should be followed in the protection of DC system. Three causations which lead to the skip area of protection is analyzed. In order to make the protection of feeder breaker perfect much more, The trip disable protection for failure of breaker should be installed in feed breaker of DC system to insure the safety of the train operation.
【Key words】traction substation, inter-tripping, feed breaker, the breaker failure and tripping disabled, short circuit current, skip area