可回收锚索工艺在城市地铁施工中的应用
摘 要:研究目的:随着城市地下工程开展的日益增多,可回收锚索作为一项新型专利技术正在逐渐地应用于基坑支护工程中。由于普通的预应力锚索常常不可回收,仅仅在广东、北京地区一年就有数千吨的钢绞线留在地下,不仅造成极大的材料浪费,而且留下的钢绞线还成为后续工程施工的地下障碍物,造成严重的地下污染;斜打入基坑外的锚索,往往伸出红线范围,侵犯临近建筑的地下空间。
研究结论:本文中可回收锚索成功应用于深圳市地铁福田枢纽的工程实例,详细介绍了可回收锚索施工中的相关技术要求和注意事项。从长远来看,可回收锚索施工技术将会大大节约企业生产成本,而且经回收后不会对周边环境造成影响,可以循环利用,为社会节约能源和创造效益。
关键词: 地下工程; 可回收锚索; 新型专利技术; 节约能源
1 工程概况
1.1工程环境及背景
深圳市福田枢纽地铁车站位于整个综合枢纽工程西北位置,是地铁2、3和11号线的换乘体,车站设置于深南大道、民田路与益田路之间,车站北侧高交会馆旧址规划为深圳福田CBD金融聚集区,车站南侧为中心区布局最为密集、开发强度最高的高级办公商务区。如果在车站围护结构中采用不可回收锚索,必会对附近建筑物及将来周边地区商业开发产生不利影响,所以车站北端围护结构设计中采用了“可回收锚索+地下连续墙/冲孔桩”支护形式。
1.2工程地质及水文条件
1.2.1工程地质条件
福田站3号线车站范围上覆地层从上到下主要为:<1-1>素填土;<3-2>粉(细)砂;<3-6>粉质粘土;<6-2>砂(砾)质粘土;<12-1>全风化花岗岩;<12-2-1>强风化花岗岩[1]。
1.2.2水文地质条件
车站范围地下水主要有第四系孔隙水、基岩裂隙水。第四系孔隙潜水主要赋存于沿线残积砂(砾)质粘土层中。地下水埋深1.0~7.7 m,残积层透水性和富水性都较弱。主要由大气降水补给。水量较贫乏,水质易被污染。
1.2.3水化学特征
车站范围内地表水不发育,取地下水作水质分析,水质对混凝土结构、钢筋混凝土中的钢筋、钢结构均具弱中等蚀性,地下水对混凝土结构侵蚀等级为H1。
2 工程特点
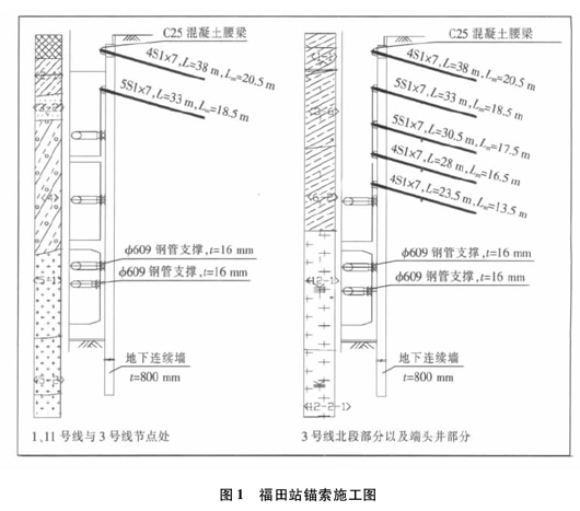
进入3号线福田站施工场地时,西侧临近的深交所基坑已进入结构施工阶段,其基坑边距离福田站围护结构外边线只有5 m,考虑到施工中产生的侧压力对深交所基坑稳定性会造成极大影响,将3号线福田站北端东侧和北端头围护结构设计由800 mm厚地下连续墙改为Ф1 200钻孔桩围护结构,深交所基坑底面以下采用钢支撑,基坑底面以上采用预应力锚索支撑。2、11号线与3号线节点处,采用锚索和钢支撑混合支护形式。除3号线北端部分及端头井部分和2、11号线与3号线节点处采用锚索和钢支撑混合支护形式以外,3号线福田站其它部位均采用钢支撑支护[2]。
车站北段设置5道锚索,与地铁2号线车站节点处设置2道锚索,锚索的布置和设计轴力及总长如图1所示。

3 可回收锚索施工工艺
3.1施工流程
3.1.1钻孔
开挖到锚索中心设计标高下0.5 m时停止开挖,使用XY-1型地质钻机或300型钻机。采用回转冲击式钻进,并保持平稳,其钻杆与锚索倾角方向一致,并控制在同一轴线上,用罗盘校准倾角设计值后,方可钻进,施工锚索钻孔直径168 mm,钻孔角度15°。终孔后,进行孔径、孔深及倾角检查,无误后方可进行下道工序施工[3]。
3.1.2清孔
采用了泥浆循环清孔或采用了压缩空气进行清孔。
3.1.3下锚
锚索用钢绞线下料并顺直后,每隔2 m设置一个定位架,定位架采用Ф50钢管简易制作,周圈设置定位块,使锚索体处于钻孔中心位置,不同束钢绞线间相互张开无粘连,以保证锚索的抗拔效果。在锚索的自由段与锚固段之间设置止浆环,并留设两根排气管,其端头延伸到止浆环两侧,分别供锚固段及张拉段灌浆时用。灌浆管由定位架中心穿过,管端距孔底约10 cm。锚索体由钢绞线及其附件变组完毕后,在锚固段端头设置导向块,保证顺利下锚。
3.1.4注入防漏填充剂
防漏填充剂是按特定的配合比及混合方法制作的。注入防漏填充剂到塑料管面为止。(如果用水泥浆进行洗孔的话,先注入填充剂,后插入锚杆体。)
3.1.5置换注入(注入水泥浆)
如果孔内有地下水的话,将会导致水泥浆的强度不足,因此必须用水泥浆把地下水置换出来。灌浆用管插入到孔底直到水泥浆上升到地面为止。将注浆管往外拉出300 mm,在孔口进行封堵后准备进行注浆。一次注浆材料为灰砂比1∶0.7~1∶1(重量比)、水灰比为0.38~0.45的水泥砂浆,注浆压力0.5~1MPa注浆体强度30 MPa,二次高压灌浆采用水灰比为0.45~0.5的纯水泥浆,并掺加补偿收缩微膨胀剂,搅拌均匀并过筛,随拌随用,在初凝前用完,注浆压力2~3MPa,一般在一次灌浆后4 h后进行。
3.1.6提升钻杆管及注浆
向上提升钻杆管,注浆直至孔口,并补浆3~5次,直至浆液面不再下降为止。水泥浆的规格:采用早强水泥,水灰比(c/w)=0.5,流动值22 min 2 s,单轴抗压强度σc=40 MPa。
3.2养护、安装承压板及锚固传力装置
水泥浆的试块抗压强度达到规定值后,才可以进行张拉。张拉的方法与常规锚杆的方法一致,只是中心的钢绞线不能加力,处于自由状态。通过适应性试验及确认试验,确认锚索的弹性延伸量、塑性延伸量、松弛是否满足所规定的性能要求,并且同时考虑夹片的松弛导致张拉力的减少的影响因素,根据所要求的有效张拉力进行张拉、锚固。
3.2.1张拉、锚固
锚固状况良好的情况下,才能对其它的锚杆进行张拉,预应力张拉共分5级进行,如表1所示。
3.2.2张拉的方法
单纯加载,到达所定荷重后,进行锚固[4]。
3.2.2.1当锚固体强度达到设计强度的70%后进行张拉。张拉前对张拉设备进行检查标定。

3.2.2.2张拉前进行试拔检验,试拔最大拉力为设计轴向拉力的1.1倍。按拉力的10%逐级加荷,卸荷时按轴向拉力的1/5逐级卸荷。
3.2.2.3张拉至设计拉力的1.0~1.1倍时,持荷10~15 min,观察其变化趋于稳定时卸荷至锁定荷载进行锁定。锁定后,如有明显的应力损失,应进行补偿张拉。张拉完毕,用砂浆封锚。
3.2.3锚固荷重
设计锚固力的100%。
3.3锚索回收方法
待顶板混凝土强度达到设计强度的80%时,拆除锚头,逐层施工剩余侧墙。施作顶板防水层。回填顶板以上覆土,恢复交通。深交所主体结构顶板施工完成形成对围护结构有利支撑后,采用从下到上依次回收五道锚索(如图2所示),并浇注西侧墙混凝土[5]。锚索回收施工程序如下:
第一,装上支架、20 t的JCE穿心式油压千斤顶、回收夹具及夹片等,中心处回收关键锚索不安装夹片。
第二,完成安装后开启千斤顶加载,使锚头有松动及约有2~3 mm的浮起,然后卸载。
第三,在支架上安装锚头夹片的回收垫片,重复步骤一后开启千斤顶加载,使锚头处的夹片脱落,千斤顶卸载,取走锚头,中心处回收关键锚索须安装夹片,同时须进行锚头夹片防止飞出的防护工作。
第四,将支架取走,安装千斤顶及对中心关键回收锚索安装夹具及夹片,启动千斤顶加载,将中心关键锚索拔出。
第五,中心关键锚索拔出后,安装千斤顶及对周边对称的2根锚索安装夹具及夹片,将其拔出。
第六,重复步骤五,直至将所有锚索拔出。
第七,对拔出的锚索进行详细检查,如可再利用的则须妥善保管,便于下次施工中使用。

4 可回收锚索施工要点和保证措施
4.1施工要点
可回收锚索在施工中能否按预期目标顺利完成,其主要技术要点有以下几个方面:
(1)在锚索施工中,须注意钻孔后的孔洞清洗,确保孔内不留有泥浆,尤其是在软土层中的施工。
(2)回填注浆施工是关键工序,水泥浆液绝不能漏入锚索保护套内,否则会造成锚索固结,影响锚索的顺利回收。
(3)锚索施工后必须采取严格的保护措施,否则会影响锚索的回收及其重复利用。
(4)根据锚索设计使用的束数,其锚头垫块、锚头、回收夹具与穿心式油压千斤顶必须相互配套。
(5)锚索夹片在设计上须考虑回收时的拔出施工要求,即在端部须留有凹槽及回收使用的锁件。
4.2施工保证措施
(1)锚索施工按《土层锚杆设计与施工规范CECS22:90》[6]进行。
(2)成孔采用泥浆护壁成孔,不得使用膨润土循环泥浆护壁。
(3)锚索采用4束或5束,每束7根15.24钢绞线,钢绞线强度标准值为1 720 N/mm,成孔直径为168 mm。
(4)注浆材料选用M30的水泥砂浆,并加入早强剂,注浆体强度不小于20 MPa,一次性注浆压力为0.5~1 MPa。并采用二次注浆,注浆材料选用水灰比为0.45~0.50的纯水泥浆,注浆压力为2~3 MPa,要稳压2 min,灌浆量至少为0.5包/m。
(5)钢绞线锚固段架线环与紧箍环每隔1 m间隔设置,紧箍环系16号铅丝绕制,不少于两圈,自由段每隔2 m设置一道架线环,以保证钢绞线顺直[7]。
(6)待砂浆体及压顶梁混凝土达到设计强度的70%后方可进行锚索张拉。
(7)锚索锁定前先张拉至设计预应力的1.1倍,保持15 min,然后卸荷至零,再重新张拉至锁定荷载进行锁定作业。锚索张拉荷载分级及观测时间应遵守规范进行。
(8)锚索锚头位置安装测力计,对锚索应力进行监测,监测数量为不小于锚索总数的5%,且不少于5根。
(9)锚索预加轴力分别为:150 kN、150 kN、150 kN、200 kN、200 kN。
4.3 锚索张拉回收安全注意事项
一般情况下,锚索张拉过程是安全的。但不排除因多种因素,导致预应力钢绞线断丝断股或夹片破裂等情况,为防止钢绞线回抽伤人和夹片破碎后碎片伤人,施工中应规范操作,做好劳动保护工作[8]:
(1)施工前进行安全技术交底,施工中明确分工,统一指挥。
(2)各种机械机具机况良好,勤维修、勤保养。
(3)作好安全检查工作,遵守有关安全操作规程。
(4)机械、电器设备专人操作。
(5)高空作业应设安全防护设施。
(6)风动钻机管路连接应牢靠,避免脱开出伤人。
(7)注浆管路应畅通,不得堵塞,避免浆液喷甩出伤人。
(8)张拉机具各部件尤其是高压油管连接点应牢靠,以避免突然断裂喷出伤人,张拉过程中不得碰撞千斤顶及千斤顶前不得站人,以防钢铰线断裂锚具飞出伤人。
5 结论
JCE可回收锚索作为一项新型专利技术已经开始应用于城市地铁建设中,我们通过实际现场操作并采用专业技术回收后,发现回收后的锚索仍可以继续使用2~3次,所以从长远方向来看,将会大大节约企业成本;而且可回收锚索经过技术回收后,不会形成地下障碍,对周边环境及后续工程开展不会造成影响,仅本地铁工程项目便为社会创造经济效益高达数千万元。
参考文献:
[1]中铁二院工程集团有限责任公司.深圳市地铁三号线福田站岩土详细勘察报告[R].成都:中铁二院工程集团有限责任公司,2008.
China Railway Eryuan Engineering Group Co.Ltd.Investigation Report of Futian Station of Shenzhen 3thLine[R].Chengdu:China Railway Eryuan EngineeringGroup Co.Ltd,2008.
[2]杨锡斌.预应力锚索框架梁施工质量控制要点[J].铁道工程学报,2007(S1):325-329.
Yang Xibin.Quality Points for Anchor PrestressedGirder Framework[J].Journal of Railway EngineeringSociety,2007(S1):325-329.
[3]尤春安.预应力锚索锚固段的应力分布规律及分析[J].岩石力学与工程学报,2005(6):925-929.
You Chunan.Distributing Characters and Analysis ofStresses in Prestressed Cables[J].Chinese Journal ofRock Mechanics and Engineering,2005(6):925-929.
[4]范宇洁.预应力锚索锚固体的破坏机理和极限承载能力研究[J].岩石力学与工程学报,2005(15):2765-2769.
Fan Yujie.Research on Failure Mechanism and UltimateLoad Carrying Capacity of Prestressed Cable[J].Chinese Journal of Rock Mechanics and Engineering,2005(15):2765-2769.
[5]GB/T 5224—2003预应力混凝土用钢绞线[S].
GB/T 5224—2003,Steel Strand for Prestressed Concrete[S].
[6]CECS22:90,土层锚杆设计与施工规范[S].
CECS22:90,Code for Desing and Construction of SoilAnchors[S].
[7]王立.高边坡锚杆(索)病害整治[J].铁道工程学报.2006(S1):498-499.
Wang Li.The Estimation of Influence of FractrueStructures on the Building Engineering Sites[J].Journal of Railway Engineering Society,2006(S1):498-499.
[8]GB 50007—2002,建筑地基基础设计规范[S].
GB 50007—2002,Code for Design of BuildingFoundation[S].