地铁车站通风空调系统优化设计探讨
【摘 要】 以缩小地铁车站规模、减少工程投资为出发点,在满足地铁车站通风空调系统基本功能的前提下,通过对地铁隧道通风系统和空调水系统遇到的设计问题进行总结,提出优化设计方案供设计参考。隧道通风系统可通过设置单活塞风井来压缩车站规模,减少活塞风亭对车站周围环境的影响。同时特殊区段的隧道通风系统,可在充分了解地铁隧道通风系统原理的基础上优化系统设计,降低车站土建规模、避免对重要场合周围建筑景观的影响。地铁车站空调水系统可以选择设置集中冷站和采用新型制冷设备等方式来减小冷水机房的面积。
【关键词】 地铁车站;通风空调;优化设计
0 引言
城市轨道交通作为城市中重要的交通工具,具有舒适、快捷等特点。随着我国国民经济的发展与城市化水平的不断提高,越来越多的城市开始建设并拥有地铁。地铁通风空调系统设备庞大,其布置方案的合理与否直接影响车站的建筑规模。地铁车站一般分为公共区和设备区,通风空调系统是占用机房最多的机电系统,根据系统形式的不同,通常占用设备管理用房面积的 1/2~1/3。如何在满足系统功能的前提下,减少通风空调系统占用的设备用房面积,减小车站土建规模,降低地铁投资一直是地铁设计者的努力方向。
以缩小地铁车站规模为出发点,在满足系统基本功能的前提下,本文通过对实际设计过程遇到的问题进行总结,提出设计方案供设计参考。
1 车站隧道通风系统优化设计方案
目前上海、广州、深圳、成都等城市设计的地铁都采用了屏蔽门(Platform Screen Door,PSD)系统,很多采用开式或闭式系统的车站也加装了屏蔽门。屏蔽门系统的设置可以有效防止乘客有意或无意跌入轨道,减小噪声及活塞风对站台候车乘客的影响,改善了乘客候车环境的舒适度,具有节能、安全、美观等特点,在地铁中的应用越来越广泛。
屏蔽门系统的应用使隧道与车站分隔开来,不仅减小了车站公共区空调负荷,对隧道通风系统的形式与运行效果也产生了影响。
1.1 单活塞风井方案

地铁隧道通风系统最常用的系统模式是在车站两端分别设置两个活塞风井(简称“双活塞风井方案”,其系统原理图如图 1 所示)。目前在国内部分城市的地铁隧道通风系统设计中,已经将隧道风机兼作车站车行区排热风机(U/O 风机),同时取消进站端的活塞风道,这样车站每端只设进风亭,排风亭,活塞风亭各一座(简称“单活塞风井方案”,其系统原理图如图 2 所示)。该隧道通风系统方案尤其适合于设置了屏蔽门系统的岛式地铁车站。与传统的双活塞风井相比较(设备布置如图 3、图 4 所示),单活塞风井方案可以减少风道面积,缩短车站长度,节省土建投资,地面的风亭数量相应地减少两个,降低风亭对车站地面周围景观的影响,改善了周边环境,同时亦可以减少与规划部门的协调和地面建筑物的征地,拆迁问题。

通常,隧道火灾事故疏散方案很多都是发生火灾事故时仅需对发生火灾的区间隧道进行通风,排烟,相邻的非事故隧道作为消防人员和相关救援人员进入的通道,不需进行机械通风,故车站每端并联的 TVF 风机不存在一台送风而另一台排风的工况。同样,阻塞工况则完全满足地铁隧道通风系统运行要求,可以达到对列车发热的有效控制。由此可见,采用“单风井方案”对于空调通风系统阻塞工况,火灾工况没有影响,仅会影响正常工况下区间隧道的空气温度,湿度及换气次数。
地铁车站的活塞风井通风换气作用主要靠列车运行时产生的活塞风来实现,车站活塞风井内的气流状态表现为车站与其前后区间隧道内的列车活塞效应以及 U/O 风机共同作用的结果,列车行车对数对活塞风井内的气流流动状态影响较大。
通过分析不同的运行列车对数的车站活塞风井气流状态[2],可以发现,非高峰时段,列车进站时活塞风井的主要作用是出风,列车出站时活塞风井的主要作用是进风。远期高峰时段,车站前后区间隧道均存在列车运行的情形比较常见,这样车站前后活塞风井内气流的流动就会受到多列车产生的活塞风共同作用,“双活塞风井方案”与“单活塞风井方案”的活塞风井绝大部分时间是进风,此时隧道内的排风主要靠 U/O 风机实现。在小交路应用“单活塞风井方案”高峰时段的通风换气效果则与“双活塞风井方案”没有大的差别。处于小交路的地铁车站都位于城市的繁华地段,减少一座地铁活塞风亭,可以在一定程度上降低对地铁周边环境的影响。
根据我们对国内某一在建的地铁线路应用地铁环境模拟计算程序 SES 进行模拟计算[2],两种方案的通风效果相差不明显,“单活塞风井方案”与“双风井方案”相比,地铁隧道通过活塞风井与室外交换的风量略小,采用“单活塞风井方案”的地铁隧道所有区段的平均温度介于 26.6~34.9℃之间,均未超过 40.0℃,满足《地铁设计规范》(GB50157-2003)的相关规定。
1.2 特殊区段隧道通风系统解决方案
《地铁设计规范》(GB50157-2003)(以下简称《地铁规范》)第 12.2.1 条规定:“地铁隧道正常通风应采用活塞通风,当活塞通风不能满足排除余热要求或布置活塞通风道有困难时,应设置机械通风系统。”通常而言,地铁车站设置活塞风亭主要有以下几个方面的作用:第一,利用列车的活塞风效应,实现隧道内外空气温度的热交换以达到消除隧道内余热的目的;第二,减缓列车驶入车站时活塞风对车站屏蔽门的冲击;第三,事故工况时,实现地铁隧道机械通风、排烟的通道。因此,对于地下车站而言,活塞风井设置的最佳位置应在车站的端部,为保证活塞风效果,活塞风道长度一般不宜超过 25m。但是在实际工程中,往往会遇到在地铁车站端部不能设置有效的活塞风井的情形。

近年来,在大型综合交通枢纽的设计建设过程中,“零换乘”的设计理念已深入到越来越多的工程项目中。笔者有幸参与某大型综合交通枢纽工程设计建设,负责国铁站房以及站房下方的大型地铁换乘车站的通风空调设计工作。该枢纽是一座集铁路、城市轨道、城市道路交通换乘功能于一体的现代化大型交通枢纽地铁综合换乘车站。地铁车站位于站房北侧,站位选择在铁路站房下方,如图 5~7 所示,为 1 号线、4 号线、5 号线三线换乘车站,南北走向的 1、5 号线位于主站房下方,与 4 号线车站“T”型换乘,4 号线东西走向设置于主站房北侧,1、5 号线为双岛四线同台换乘车站,三线共用站厅位于地下二层。1、5 号线车站总长447.9m,为地下三层 15m 宽岛式站台车站。4 号线车站总长 169m,为地下四层 14m宽岛式站台车站;地下一层为国铁出站层,是国铁站场下架空层,设5 组楼扶梯直达地下二层地铁站厅层,站厅层公共区面积为 9703m2,其中站厅南端公共区 3、4 号楼梯与 5 号楼梯之间设一长通道与地下一层相连,长通道面积为 1825m2,满足地铁与国铁及城市的客流换乘;地下三、四层为 1、4、5 号线站台层及 4号线设备层。

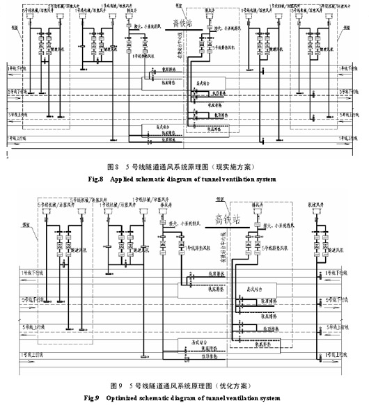
按设计要求,1、4、5 号线车站均按双活塞风井方案设置,在每条线车站两端的隧道通风机房内对应的上、下行线各设一条区间活塞/事故风道,通过活塞/事故风阀(风阀净流通面积为 16m2)同时与上、下行区间隧道连通。风道内设置两台区间事故风机(参数为:风量 60m3/s,风压 1000Pa),风机后设置与风机联动的事故风阀,两台风机旁边的过流断面上设置活塞风阀(风阀净流通面积16m2)。通过开启和关闭不同的阀门,可以实现活塞通风工况,或者两台区间事故风机对同一区间隧道进行通风或排烟的工况。需要重点指出的是,铁路站房所在铁路站场南北宽 280m,铁路有效站台长 450m,1、5 号线有效站台位于站房靠近北广场侧下方,车站南端区间隧道为盾构区间,这样就导致了车站南端活塞风井布置困难。如仍按常规做法在地铁车站南端设置活塞风道,通过长度超过 150米的活塞风道连接活塞风亭至室外。由于活塞风道过长,活塞风效果已经很小。该方案需要设置大面积的活塞风道,土建初投资大。经过与设计总体沟通后,总体单位给出的方案是将 1、5 号线车站南端的活塞风井设置于站房南端外的区间内,以增强活塞风效果,1、5 号线车站南端只保留用于事故工况的机械风道,1、5 号线车站实施的隧道通风系统原理图如图 8 所示。

目前南端规划为广场,广场与站房之间为已运营的高速公路,广场与国铁站房南侧进出通道通过改造高速公路设置的高架桥相连。由于站房南侧是其主要的进出通道,设置 4 个断面尺寸为 4.0m×5.0m 敞口活塞风井与建筑结合有困难,开敞的地铁风井必然会对周围景观造成影响。
模拟计算和实测均表明[2],地铁车站采用单活塞风井效果最好的车站形式为无配线岛式车站。单活塞风井形式有两种,分别为取消车站进站端活塞风井和取消出站端活塞风井两种。根据我们对地铁车站两种单活塞风井模式进行的模拟计算显示:取消车站进站端活塞风井时隧道通风换气量比取消车站出站端活塞风井略大,前者区间隧道温度比后者低 0.2~1.2℃,两种方案的隧道温度仍满足《地铁规范》规定的地铁隧道夏季最高温度不得高于40℃的要求。对于 1、5 号线车站而言,均为标准的屏蔽门制式的无配线岛式车站。因此,对于此车站由于周围现状而导致无法在车站南端设置活塞风井、站房及南端广场均为重要场合的特殊情形,建议取消站房下方(南端)的活塞风道,只保留车站北端的活塞风道,车站南端只需考虑事故工况下隧道的通风换气和排烟,优化后的隧道通风系统原理图如图 9 所示。该方案可以大大降低工程实施难度,减少由于设置大截面及超长的风道所带来土建投资的增加,同时避免对重要的场合造成影响。
2 车站空调水系统优化方案
车站空调水系统采用分散供冷方式在设置空调系统的车站应用最为广泛,主要指每个车站设置一个冷冻站,提供冷源。一个标准车站一般设置两台冷水机组及相关的冷冻水泵、冷却水泵等设备。地下车站设备管理用房空调系统(通常称为“小系统”)的特点是夜间负荷小,占整个车站空调冷负荷比重不大,这样就可能出现晚间空调负荷小而无法开启冷水机组的现象。为了解决夜间小系统负荷不大而使得冷水机组无法开启的问题,目前很多城市的地铁工程中另外单独配置了多联空调系统,供设备和管理用房夜间使用。空调水系统冷水机组的另外一个方案是,配置三台冷水机组,其中两台大容量的冷机服务车站公共区空调系统,一台容量小的冷机提供小系统空调系统。通过晚间开启容量小的冷水机组来满足车站小系统空调冷量需求。但是,同时设置三台冷水机组将会增加冷水机房的面积,进而加大车站的土建规模。
笔者认为可以从设置集中冷站和采用新型的制冷设备两个方面来减小冷水机房的面积,进而降低车站的土建投资。
2.1 设置集中冷站
集中供冷是集中设置冷冻站,一般而言有两种方式:设置一处集中冷冻站提供给相邻的几个车站冷源;另外就是换乘车站考虑水系统共享,在换乘车站或与之结合的物业建筑内设置一处冷冻站。
2.1.1 集中供冷(冷却)方式
将车站大小系统空调负荷统一纳入集中供冷,取消车站冷水机房,将会减小车站设备用房面积,车站地面不再有冷却塔,减少了工程实施难度以及对车站周边环境的影响。集中供冷在冷负荷变化的情况下,冷水机组能保持高效运行,减少了能耗,降低运营成本,便于维护管理。
但是由于集中冷站需要远距离输送冷冻水,存在冷量损失大等方面的缺点,冷冻水通常采用大温差技术减少系统冷损耗。
为了减少远距离输送空调冷冻水产生的冷损耗,可采用集中冷却的方式集中设置冷却塔,避免对地铁车站周围环境造成影响。
目前,在广州、成都等城市的地下车站已经使用集中供冷(冷却)方式。
2.1.2 换乘车站设置集中冷站
为了最大限度实现资源共享,地铁换乘车站往往会设置集中的冷水机房,提供换乘车站的空调系统冷量。换乘车站内集中设置的冷水机房设置于先期开通的地铁线路所在车站,未开通运营的车站通常土建一次性建设到位,预留通风空调系统设备土建实施条件。
地铁车站空调系统负荷初期、近期和远期均有所不同,系统设备按远期高峰时段配置,并且由于线网规划实施年限的原因,集中设置的冷水机房内的制冷系统设备均存在分期实施的问题。
2.2 采用新型制冷设备
2.2.1 一体化水冷式冷水机组
目前,出现了一种将冷水机组、冷却塔、冷却泵、冷冻泵、膨胀水箱及配套管道设备和控制器件(检测仪、表断水保护等)集成为一整体的装置,称为一体化水冷式冷水机组。它不需另外设置冷冻机房,直接放置于楼顶或其它空地上连接好主电源及空调系统冷冻水进/出水管,即可投入运行使用。对于地铁车站而言其最大的优点在于不需设置冷水机房。一体化水冷式冷水机组与一般地铁车站冷水机组相比,整合了冷却水泵和冷冻水泵等设备,因此一体化水冷式冷水机组必然在体积上较仅设置室外冷却塔的空调水系统对车站周围环境影响大。现对两种冷机的主要参数进行对比:
(1)常规螺杆式冷水机组,制冷量 456kW,COP 值 4.65,室外设置方形横流式玻璃钢塔,外形尺寸(长×宽×高):3900mm×2500mm×3250mm;
(2)一体化水冷式冷水机组,制冷量 460kW,COP 值 4.79,整机外形尺寸(长×宽×高):6320mm×3080mm×2530mm;
由此可以看出,一体化水冷式冷水机组体积较常规车站采用的冷却塔体积较大,由于均采用螺杆式压缩机,因此与常规空调冷水机组的 COP 值基本相同。
出于城市发展的考虑,地铁车站规划建设在城市郊区的情形并不罕见,城市郊区的道路绿化程度高,具有很好的设置风亭和冷却塔的条件。因此,如果车站周围有较好的条件设置室外机组,那么地铁内部无需设置冷水机房的一体化水冷式冷水机组方案具有较大的优势,可以有效减少车站空调系统所占用的建筑面积。
2.2.2 模块化冷水机组
地铁车站属地下建筑,地下建筑的特殊空调负荷特性,决定了地铁车站空调系统只需考虑夏天的冷负荷。目前地铁车站水系统普遍采用螺杆式冷水机组,标准车站水系统通常采用两台或三台冷水机组。考虑到机组本身的设备尺寸以及其检修空间,螺杆式冷水机组往往会占用较大的面积。实际设计过程中,通风空调机房会存在无法利用的“边角料”或则吊装的大系统风机以及空调器下方有大量可供利用的面积使用。
模块化螺杆式冷水机组的安装不需要庞大的维修空间,机房面积比传统的冷水机组减少 40%以上,只需要很小的空间就可灵活地安装大容量的模块化冷水机组。同时,模块化冷水机组可根据系统需求调节投入运行的模块单元数量,每个运行中的模块单元都以峰值效率运行。而传统的冷水机组在部分负荷运行时,制冷效率同时降低,导致在部分负荷消耗过多的电能。因此,采用模块化冷水机组可以解决夜间小系统负荷不大而使得冷水机组无法开启的问题,无需另外设置多联空调。另外,模块化冷水机组还具有可变水量运行的机组,变水量型模块化冷水机组由于机组本身可以适应变水量运行,因此通过一次泵可以实现全系统的变水量工作,不仅使系统变得简单,而且能够最大幅度地减小水泵的耗电量。
尽管模块化冷水机组具有以上优点,但由于设备成本等方面的限制,地铁车站是否适合采用模块化冷水机组需要通过详细的技术经济比较后才能最终确定。
3 结论
地铁通风空调系统是占用机房最多的机电系统,如何在满足系统基本功能的前提下,减少通风空调系统占用的设备用房面积,减小车站土建规模,降低地铁投资一直是地铁设计者的努力方向。本文通过对地铁隧道通风系统和空调水系统遇到的优化设计问题进行总结,分别提出了优化设计方案,供设计参考:
(1)隧道通风系统可通过设置单活塞风井来压缩车站规模,减少活塞风亭对车站周围环境的影响。同时特殊区段隧道通风系统,可在充分了解地铁隧道通风系统原理的基础上优化系统设计,降低车站土建规模、避免对重要场合周围建筑景观的影响。
(2)地铁车站空调水系统可以选择设置集中冷站和采用新型制冷设备来减少冷水机房的面积,压缩车站土建规模。
参考文献:
[1] 陆耀庆.实用供热空调设计手册(第二版)[M].北京:中国建筑工业出版社,2008.
[2] 张发勇.地铁车站活塞风井设置分析[C].铁路暖通空调专业 2006 年学术交流会论文集,2006:33-35.
[3] GB 50019-2003,采暖通风与空气调节设计规范[S].北京:中国计划出版社,2004.
[4] GB 50157-2003,地铁设计规范[S].北京:中国计划出版社,2003.
[5] GB 50490-2009,城市轨道交通技术规范[S].北京:中国计划出版社,2009.
[6] 施仲衡.地下铁道设计与施工[M].西安:陕西科学技术出版社,1997.
[7] 铁道第二勘察设计院,广州市地下铁道总公司.回忆与思考-广州市地下铁道一号线工程设计总结[M].北京:中国铁道出版社,2002.
[8] 铁道第二勘察设计院.铁路隧道运营通风[M].北京:中国铁道出版社,1983.