钻孔咬合桩在地铁工程围护结构中的应用
摘 要: 结合南京地铁三号线清水亭西路站钻孔咬合桩围护结构工程应用实践,分析了钻孔咬合桩在软土地区深基坑围护结构施工中的原理及适用性,探讨了其质量控制要点和阐述常见质量问题的处置和应对措施,以期为同类围护结构施工提供参考。
关键词: 钻孔咬合桩; 围护结构; 质量控制; 超缓凝混凝土; 问题桩
1 工程概况
南京地铁三号线清水亭西路站位于清水亭西路与长亭路交叉路口西侧,沿清水亭西路东西向布置。车站总长 286. 25m( 设折返线) ,标准段宽 19. 6m,底板埋深 16. 9m; 端头井段宽 23. 6m,底板埋深 18. 0m。车站覆土厚度约 3. 7m,局部 2. 8m。车站主体基坑明挖顺做法施工,采用钻孔咬合桩 + 水平内支撑的支护体系。钻孔咬合桩桩径为1. 0m,间距为0. 8m,咬合部分最大厚度为 0. 2m; 采用钢筋混凝土桩和素混凝土桩间隔布置。
1. 1 工程地质
清水亭西路站地貌类型为岗间坳洼区,为全新世冲积平原,地势低平,地面标高约 8. 4 ~ 8. 8m。车站范围内穿越的主要土层由上至下依次为: ① - 2b2 - 3杂填土; ② - 1b2 - 3 软 - 可塑粉质粘土、○2 - 2b4 流塑淤泥质粉质粘土 、② - 3b3 - 4 软 - 流塑粉质粘土、③ - 1b1 - 2 可 - 硬塑粉质粘土、③ - 2b2 - 3 可 - 软塑粉质粘土、○3 - 4e 可 - 硬塑含砾粉质粘土、K1g - 2强风化泥质粉砂岩。其中② - 2b4 即流塑淤泥质粉质粘土层含水量高,压缩性高,土质差,基坑开挖时极易产生侧向变形或土体流动,从而引起开挖面失稳。
1. 2 水文地质
该车站场地地下水主要为孔隙潜水,局部分布有弱承压水,底部基岩主要为白垩系葛村组( K1g) 泥质粉砂岩,裂隙不甚发育,且呈紧密闭合状,裂隙连通性差,含水微弱。
根据清水亭西路站岩土详勘报告,通过干钻测得地下水初见水位埋深 0. 8 ~ 1. 0m,地下水静止水位为1. 10 ~ 2. 70m,水位随地势起伏变化,年水位变化幅度约 0. 5 ~ 0. 8m。潜水层底板埋深最深约 20m,承压水顶板埋深平均约 27m,局部最浅处埋深 21. 5m,总厚度为 3. 5 ~ 8. 5m,受侧向径流补给、排泄,承压水头埋深约 4m。
1. 3 围护结构施工方法比较
车站围护结构钻孔桩数量较大( 共约 792 根) ,与采用地下连续墙施工工法相比,钻孔咬合桩相对造价低、施工难度小、安全风险较低,对周围环境影响小。与钻孔灌注桩 + 止水帷幕施工工法相比,钻孔咬合桩防水效果好、结构刚度大、环境污染小,且能达到很好的技术要求,尤其是桩身质量和桩的咬合质量有很好的保证。
经过比较分析知,清水亭西路站围护结构采用的全套管施工方法同其他钻孔方法比较而言,具有噪声低,振动小; 用套管护壁,孔壁不会坍落,可靠近既有建( 构) 筑物( 如高压线塔) 施工; 易于控制桩断面尺寸形状; 可挖掘小于套管内径 1 /3 的石块; 因使用套管护壁,挖掘土中的含水比例小,较容易处理孔底虚土,且对环境的污染小; 钻机有导向纠偏机构,桩的垂直度容易控制等优点。同时全套管法也有一定的局限性,主要是套管钻机自重大,采用全套管施工需要有较大场地,工地边界到边桩中心的距离要求较大,此外,对场地地面的承载力要求也高一些。本车站工程由于场地较开阔,便于采用全套管法施工,故综合以上特点,决定采用全套管法施工钻孔咬合桩。
2 全套管法钻孔咬合桩施工工艺原理
全套管施工工法,又叫贝诺特( Benoto) 施工法,最先是由法国贝诺特公司采用的边冲抓钻进,边跟进套管护壁的施工方法。全套管钻孔咬合桩正是利用冲抓斗抓土,使钢套管与土层间的摩阻力大大减少,再压入套管,然后利用冲抓斗挖掘取土,直至套管下到设计桩端持力层为止。成孔后在套管内放入钢筋笼,再在钻孔中心下导管,灌注混凝土成桩,最后拔出导管。
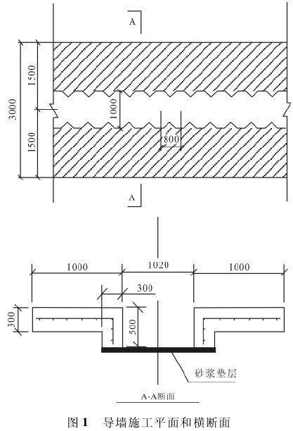
2. 1 全套管钻孔咬合桩导墙施工
为了提高钻孔咬合桩孔口的定位精度并提高就位效率,在桩顶上部施作混凝土导墙或钢筋混凝土导墙,这是钻孔咬合桩施工前必须具备的首要条件,也有利于钻机安装及作业的稳定。导墙平面、横断面图示见图 1。

施工步骤为①平整场地,清除地表杂物,填平碾压地表面。②测放桩位,根据设计图纸提供的坐标放线。( 实践当中外放 200mm,以防开挖中变形或测量误差引起的结构侵线) ,测量专监复核经计算的桩中心坐标。③导墙沟槽开挖,桩位放样符合要求后即进行沟槽开挖,开挖结束对沟槽整平夯实,将沟槽中心线引入沟槽下,确保导墙中心线无误。④钢筋绑扎,沟槽施工的同时绑扎导墙钢筋网片,由监理验收。⑤模板施工,模板采用定型钢模。⑥混凝土浇注施工,混凝土采用 C20 商品混凝土,混凝土浇注时两边对称交替进行,严防跑模。导墙关系到钻孔咬合桩顺利成孔和成孔精度,施工中应严格控制导墙施工精度,确保轴线误差 ± 20mm,内墙面垂直度 0. 3% ,平整度3mm,导墙顶面平整度 5mm。⑦导墙混凝土达到设计强度后,拆除钢模,再次定位桩样中心,将点位标记在导墙顶面,作为钻机定位控制点。
2. 2 全套管钻孔咬合桩施工流程和成孔顺序
2. 2. 1 钻孔咬合桩单桩施工工艺流程
桩机就位对中→吊装安放套管→控制垂直度→压入套管( 校核垂直度)→抓斗取土套管钻进( 连接套管)→达到设计标高( 测量孔深)→清除孔底沉渣( 验孔签认)→吊放钢筋笼( 钢筋笼验收,隐蔽签认)→放入混凝土导管( 导管拼接检查)→浇筑混凝土逐次拔管( 制作混凝土试块)→浇筑完成( 检测混凝土标高)→桩机移位( 注: 括符标明的部分为有监理参与的工作) 。
以上是钻孔咬合桩钢筋混凝土桩的浇筑过程,素混凝土桩浇筑只需去掉钢筋笼安放和检测环节,其中荤桩使用 C30 普通混凝土,素混凝土桩使用 C20 超缓凝混凝土。
2. 2. 2 钻孔咬合桩施工成孔顺序
首先定义 A 桩为钢筋混凝土桩,B 桩为素混凝土桩。在一段连续的施工段上钻孔咬合桩的成孔原则是: 先施工 B 桩,灌注素混凝土,再在相邻两 B 桩间切割超缓凝素混凝土 B 桩成孔施工钢筋混凝土 A 类桩。其成孔顺序为: B1→砂桩→B2→A1→B3→A2→B4……Bn→An - 1→砂桩,见图 2。

作为地下工程的围护结构,钻孔咬合桩往往数量较多,一般会采用多台机组同时施工的办法。即是采用分区段作业的组织方式,这样上图中的砂桩是为分区作业的咬合桩在最后连接成整体时留下 A 桩的咬合企口,也就是说到时候将砂桩位置的填砂取出,置换成钢筋混凝土桩,完成企口咬合,形成整体刚性封闭结构。
2. 2. 3 超缓凝混凝土
根据施工工艺的特点,钻孔咬合桩 B 桩所采用的超缓凝混凝土初凝时间不早于 60h,终凝时间不宜迟于72h。超缓凝混凝土各项性能指标满足设计施工要求是钻孔咬合桩施工工艺成功的前提,因此对混凝土生产质量控制及现场施工组织管理要求较高。本工程所采用的超缓凝混凝土为商品混凝土厂家在施工、监理方参与下多次试配确定的。具体参数为: 初凝时间不小于 60h,终凝时间小于 72h,3d 强度不大于 3MPa,坍落度 16 ~18cm,强度等级满足 C20 混凝土的要求。
3 钻孔咬合桩施工过程质量控制要点
3. 1 桩位定位控制
为了保证钻孔咬合桩底部有足够的咬合量,应对其桩位定位误差进行严格的控制。通常导墙上桩位定位孔的直径宜比桩径大 20mm,钻机就位后,将第一节套管插入定位孔后并反复检查调整到最佳,使套管周围与定位孔之间的空隙保持均匀。
3. 2 桩身垂直度控制
钻机就位后使套管中心、钻机摇管装置的中心与桩心保持在同一轴线上,利用钻机的调平系统,调整水平。第一根套管下压时采用两台测斜仪附贴在套管外壁两垂直方向进行校核,并在相互垂直的方向上布置两台经纬仪复核垂直度。套管在切压过程中,两台经纬仪随时检查套管与桩孔的垂直度,发现偏差及时纠正。
3. 3 素桩( B 桩) 超缓凝混凝土质量控制
( 1) 根据施工时气候条件配制各种温度环境下的多组配合比参数,并能满足初凝大于 60h、终凝小于 72h且满足强度标准。
( 2) 严格控制拌合场集料、水泥等原材料的质量,控制拌合过程和运输时间,确保到场混凝土满足使用要求,对达不到坍落度指标的超缓凝混凝土坚决不用。
( 3) 强化施工组织,特别是钻孔进度和混凝土到场时间的协调,避免超缓凝混凝土浇筑过程因机组设备的原因造成成桩质量缺陷。
3. 4 钢筋笼制作质量控制
钢筋笼制作严格按照相关验收标准进行检验,监理验收时重点检查主筋配置长度、数量、间距,各焊点的焊接质量,加密区的位置和长度等指标。吊装过程加强安全督促。
3. 5 混凝土浇筑过程控制
成桩混凝土灌注采用下导管法灌注,对桩内有水的排桩,桩身混凝土采用水下混凝土灌注的方法。水下混凝土灌注用导管要根据孔深进行配管,导管的吊放采用吊车吊装,导管的接长加垫圈,防止灌注混凝土时出现漏气漏水,影响桩身混凝土的质量。灌注混凝土时,边灌注边拔导管和套管并控制导管和套管的拔升速度,保持与混凝土的灌注速度相同,且控制好导管和套管埋深,套管的埋深应保持在混凝土面下1m 以上。
4 钻孔咬合桩常见事故的预防和处置
清水亭西路站施工,由于工程地质变化、起伏很大,地下水分布位置和水量差异很大,在本工程的施工中遇到了较多的问题。
4. 1 钢筋笼上浮的控制
因钢筋笼偏移、变形及成孔垂直度偏差,使得钢筋笼与不动套管壁面大面积接触,或钢筋笼箍筋接头与套管接头处勾挂,混凝土最大粒径石子卡在钢筋笼与套管壁之间等原因,导致起拔套管时钢筋笼被提起上浮。具体应注意:
( 1) 严格控制成孔垂直度,认真检查钢筋笼加工质量,保持套管摇管起拔的均匀、慢速。
( 2) 为增加钢筋笼抗浮能力,可在钢筋笼底加焊厚 10 ~ 15mm、约为钢筋底面积 1 /3 的钢板。
( 3) 在钢筋笼外缘焊上 Ф10mm 的起保护层作用和定位的耳形筋,减少钢筋笼与套管内壁的摩阻力。
4. 2 钢筋笼下沉的控制
因基底土层软弱,成孔过程中土体扰动遇水软化,或因基底超挖回填不密实,钢筋笼易在自重作用下下沉。可采取孔内回填 25cm 厚的块石,以提高基底承载力,同时钢筋笼应预留沉降量 50 ~ 100mm。桩身混凝土灌注时,若孔内有水,应采用水下灌注工艺。
4. 3 管涌问题的控制
在成孔过程中,依据套管的最大切割下压能力,一般情况下始终保持套管超前于冲抓面至少 1m 以上,轻抓慢挖,使孔内留有一定厚度的反压土层,防止管涌现象的发生。当穿越松散砂层及淤泥质土等易受冲抓扰动影响的流动性较大的地层时,应使套管底口始终下压超前于冲抓面。
4. 4 桩孔偏斜的处置
发现钢套管有倾斜趋势时,立即通过反复摇动、微量扭、挪套管支座等方法,将钢套管倾斜消除在初始状态。
如垂直度偏斜超过 3‰,无法靠机台本身调整时,采取向孔内填砂,向上拔出套管重新校正精度成孔。
无法利用套管钻机重新成孔时,在待处理桩位的两侧注浆,形成隔渗帷幕拦截地下水。
4. 5 钻进入岩的处置
钻孔咬合桩仅适用于软土地质。若施工中遇到局部小范围区域少量桩入岩情况时,可采用“二阶段成孔法”进行处理。第一阶段: 不论 A 桩还是 B 桩,先钻进取土至岩面,然后改换成旋挖钻机施工,直到钻进到设计高程。第二阶段: 再换用抓斗取出旋挖沉积物。例如本工程西端头井位置就有 776 号 ~ 792 号桩是采用这样的施工办法解决的,这一过程中遭遇到了③ - 4e 层较大的承压水层。
另外对于这种情况,还可以采用: 第一阶段先冲抓钻进到岩面,然后卸下抓斗换成冲击锤,从套管内用冲击锤冲钻至桩底设计高程,成孔后向套管内填土,一边填土一边拔出套管( 即第一阶段所成的孔用土填满) 。第二阶段再按钻孔咬合桩正常施工方法施工,保证成孔质量。
4. 6 冷缝的处置
施工钻孔咬合桩,造成冷缝的原因主要有: 前文中提到的施工组织原因形成的砂桩一侧的素桩,在最后接头处施工时早已凝固的冷缝; 由于 C20 超缓凝混凝土本身不稳定所造成的一边出现早凝现象,而在其后进行中间荤桩施工时对早凝一侧不能正常的割切,必须进行桩位偏移处理,从而造成的冷缝事故桩。不管是第一种还是第二种情况,基本的处理原则是采取平移荤桩,早凝边相接缓凝边切割,相接边采用高压旋喷桩止水的措施,见图 3。

同样地,施工中因机械设备故障造成早凝事故桩也是采用同样的处置方式,所以加强设备故障的检修和保障显得极其重要。
4. 7 事故桩的背桩补强处置
A 桩成孔施工时,若其两侧 B1、B2 桩的混凝土均已凝固,在这种情况下,则放弃 A 桩施工,在外侧增加三根咬合桩及两根旋喷桩作为补强、防水处理。在基坑开挖过程中将 B1 和 B2 桩之间的夹土清除喷上混凝土即可,见图 4。

此种处置对于钢筋笼上浮较大,不能保证结构刚度的情况也可以采用。对于预留咬合企口的砂桩而言,补强措施是抓取出填砂,置换成钢筋混凝土 A 桩,然后在相交的桩体咬合部位的外侧加补高压旋喷桩进行止水。施工中因水下混凝土浇筑控制失误造成的断桩,则主要是在背桩侧加补高压旋喷桩进行止水处理。
4. 8 混凝土穿孔的处置
钻孔咬合桩施工中混凝土穿孔现象,简单的说就是在咬合桩施工过程中出现已施工的主要是超缓凝混凝土桩下部混凝土流动,桩顶混凝土面下沉的现象。这种情况可能发生在后续素桩施工期间,或者荤桩施工期间。
发生穿孔的原因主要是施工人员操作不当,套管未压到位即超挖、震动等造成混凝土穿孔,下泄到正在施工的套管里面。解决措施是及时下压套管,保证抓土面在套管底口以上,确保已浇筑混凝土面的稳定后,再重新灌注 C20 超缓凝混凝土到设计标高。
5 施工质量评价
从清水亭西路站的施工来看,根据地勘报告和设计文件,31. 94 ~ 33. 94m 的设计桩长显示插入基坑底板以下的深度为 14. 50 ~ 17. 17m 之间,桩底已进入K1g - 2 强风化泥质粉砂岩,③ - 4e 砂砾石层等。在施工情况理想没有大的桩身开叉或者即使发生了个别的施工质量问题,但经过后期的补桩和旋喷桩补强处理,基坑能形成一个较为良好的封闭体系,能很好地解决基坑开挖中止水及基坑稳定的目的。
从目前开挖的部分来看,局部还是存在一定的渗透情况,减压井抽排③ - 4e 砂砾石层的降水始终有很大的流量,比如 6 号减压井排水量始终在 20 ~ 24 m3/24h,可以想见由于基坑底部已经形成局部的连通体系,以致始终有补给水源进入。为了保证周围环境特别是基坑南侧中高层住宅的安全,需要及时补水回灌,但回灌始终是有滞后性的,这说明钻孔咬合桩的施工中,不同程度地反映了以上事故桩可能的问题。
当然从结果来看,以上事故都是在可控范围内。清水亭西路站钻孔咬合桩施工监理过程的启示,那就是必须理解并严格执行工程质量控制过程中每一个环节,每一个工序的工作,认真做好施工过程资料的收集和对照,对过程中出现的问题及时采取可靠的应对措施加以处理,对出现的质量隐患绝不回避,确保在后期的补强中加以处理。只有这样把过程中的工作做好了,才能保证基坑围护结构工程整体结果良好。
6 结语
全套管钻孔咬合桩施工工法作为地下工程围护结构的一种新工艺,通过南京地铁三号线清水亭西路站工程的实践证明,桩间咬合良好、表面平顺、防水效果好。除个别桩间有湿渍外,无明显渗漏水,成桩垂直精度高,无侵限情况发生,达到了设计预期的效果,很好地实现了钻孔咬合桩在主体结构施工中起到支护、承重、止水的三重功效。
目前全套管钻孔咬合桩施工工法已在国内多个城市地下工程围护结构中得到应用和推广,相关施工机具已经实现国产化。本文正是出于对地铁车站围护结构的施工监理实践,做一些有益的总结,希望为以后类似工程的施工控制,提供一些借鉴和参考。
参考文献:
[1]江苏南京地质工程勘察院. 南京地铁三号线 XK04 标清水亭西路站岩土工程详细勘察报告[R]. 南京: 江苏南京地质工程勘察院,2011.
[2]北京城建设计研究总院有限公司. 南京地铁三号线清水亭西路站主体围护结构施工图[R]. 北京: 北京城建设计研究总院有限公司,2011.
[3]北京城建设计研究总院 GB50157 ― 2003 地铁设计规范[S].北京: 中国计划出版社,2003.
[4]中华人民共和国住房和城乡建设部. YB 9258 ― 97 建筑基坑工程技术规范[S]. 北京: 中华人民共和国住房和城 乡 建 设部,1997.
[5]国家质量监督检验检疫总局. GB 50204 ― 2002 混凝土结构工程施工质量验收规范[S]. 北京: 中国建筑工业出版社,2002.
[6]北京市城乡建设委员会. GB 50299—1999 地下铁道工程施工及验收规范[S]. 北京: 中国计划出版社,2003.