城市轨道交通的噪声及其防护
2004-06-10 18:50
城市轨道交通的噪声及其防护
摘 要: 介绍了城市轨道交通噪声的形成与分类, 提出了降低列车辐射噪声的措施等。
关键词: 城市轨道车辆; 噪声;
城市交通环境噪声往往是人们普遍关注的问题。随着我国城市交通的发展, 地铁、轻轨、独轨等交通模式的出现, 轨道交通在大城市公共交通中越来越显示出它的骨干作用。研究城市轨道交通的噪声及防护越显重要和迫切。城市轨道交通噪声与一般铁路噪声在声学特性上既有相同之处又有其独有的特征。例如, 城市轨道交通一般为2 辆~ 8 辆编组的电动车组, 采用全动车或部分动车, 一般运行于隧道和高架桥上。它没有铁路噪声经历时间(一次通过) 长, 但行车频率却比铁路高, 一般2m in~ 5m in 出现1 次。它又不同于道路交通的噪声, 道路交通往往是由无数连续点声源构成线声源。因而, 可认为城市轨道交通噪声是介于铁路与道路两者之间的一种交通噪声。
1 城市轨道交通噪声的形成与分类
噪声通过声源、途径、接受点3 个方面进行分类和研究。了解声源、途径、接受点就可以有针对性地寻求降低、衰减噪声的措施和途径, 对现存噪声进行防护, 最大限度地减少对人体造成的损害。城市轨道交通按产生噪声的声源可分为: 轮轨噪声、车辆非动力噪声, 牵引动力噪声、高架轨道噪声及地下铁道的地面承载噪声等。
1. 1 轮轨噪声
钢轨与车轮之间相互作用而产生的声响。车轮和轨道相接触处产生力的相互作用, 造成车轮和轨道的振动而向外辐射声波。轮轨噪声主要有摩擦噪声、撞击噪声和轰鸣噪声。
1. 2 车辆非动力噪声
主要是指制动系统在实施制动时闸瓦与制动盘之间的摩擦振动, 它激发制动闸瓦片、闸瓦托架以及制动盘等产生自激振动形成噪声。此外, 还有制动悬挂连接件之间的间隙在运行中相互撞击产生的噪声等。
1. 3 牵引动力系统噪声
牵引系统设备运转所产生的噪声, 包括牵引电机及其冷却风扇、齿轮箱以及空气压缩机的噪声, 它是城市轨道交通的主要噪声。近年的研究表明, 使用车裙与车下吸声处理相结合的措施可降低噪声。
1. 4 高架轨道噪声
当列车行驶在高架铁路上时, 轮轨相互作用产生的振动通过轨道传递给支承结构, 支承结构将噪声向周边地区进行传播, 形成较高的噪声。抑制高架轨道噪声一方面可从降低钢轨振动的技术着手, 另一方面从限制传递给高架结构的振动考虑。沿轨道侧面设置声屏障, 可以降低钢轨噪声向周围地区的传播。
1. 5 地下铁道的地面承载噪声
地下铁道轮轨间相互作用而产生的振动被传递给隧道结构, 继而又传向周围的土壤。振动通过土壤再向邻近的建筑物传播, 从而导致地下及墙壁的振动和噪声向建筑物内房间的第二次辐射, 它是一种低频声响。抑制和降低地面承载噪声和振动的措施:
(1) 车轮踏面的镟修、钢轨面的磨削以及采用无缝钢轨代替接缝钢轨等, 都有利于衰减轮轨相互作用而产生的振动和噪声, 同样也适用于降低地面承载噪声和振动。
(2) 在轨道和路基之间铺设一层弹性材料, 可以起到减弱振动传递的作用。另一种有效的措施是装设弹性的“ 浮置板面”的轨道路基, 即在钢轨与混凝土轨道基板面之间设置一层弹性垫板, 这种结构可以削弱被传递到隧道墙壁的振动噪声达10 dB(A)~ 20 dB 3. (A )。
(3) 在轨道和路基面之间采用碎石构成的道床, 可以起到衰减从钢轨向路基传递的振动和噪声, 这种道床还可以降低车内噪声级, 但采用这种道床要求有较大的隧道半径。
2 城市轨道交通噪声的评价与标准
目前, 国际上还没有一套标准的城市轨道交通噪声的评价方法和指标, 可参考工业发达国家以及国际性大都市拟订适用于本国和本市的轨道交通噪声测量以及评价标准。另外, 可供借鉴的还有国际铁路标准化组织( ISO ) 的《声学2轨道车辆内部噪声测量》( ISO 3381—1976 (E) ) 、我国标准《铁路机车车辆内部噪声测量》(GB �《铁路机车司机室噪声T3449—94)、允许值》(GB �《城市区域环境噪声标准》
T3450—94)、(GB3096—82) 等。
最常用的几种评价方法有:A 计权声级、等效连续声级、响度级、语言干扰级。除此之外, 较有名的还有感觉噪声级、更佳噪声标准(PN C) 曲线、噪声污染级、昼夜等效级、噪声冲击指数、噪声掩蔽等等。
城市轨道交通的噪声级的强度直接与系统的特性有关。轨道设置的位置, 即设于地下、地面或高架等, 都是影响噪声级的决定因素。地下铁道一般比地面轨道产生更大的车内噪声级。高架铁路轨道产生的路边噪声级比地面轨道的噪声级要高。其他影响因素还有列车的运行速度、采用钢轨型式、车轮踏面上的擦伤、钢轨表面局部粗糙状况以及线路小半径曲线等。
运载设备使用时间长短是噪声级的另一个决定因素。使用年久的车辆车内噪声级一般较高, 新出厂车辆和车站由于采用了许多声学上的处理, 车内和车站噪声级都会有明显降低。路边噪声级在新旧系统中的差异并不像其他噪声那么大, 而更多地受到列车运行速度和轮轨状况的影响。
美国公共交通协会所制定的噪声级指标是以确保私人谈话能以正常声音进行而设计制定的。在背景噪声级为78 dB(A) 时, 人们在0135 m 的距离处可以用正常的声音进行谈话, 但当背景噪声级达83 dB(A) 时, 为使对方能听见自己的声音, 他们必须要提高嗓音。按该指标规定, 根据城市轨道交通类型的不同, 可接受的最大车内噪声应在70 dB(A)~ 80 dB(A), 站内噪声75 dB (A)~ 85 dB(A)。对于地铁来说, 噪声级的上限可设得高些, 因为将它的噪声级降到与地面铁路相同的程度是极其困难的, 在经济上也是极其昂贵的。路边噪声级的上限随路边地区建筑物和地面类型的不同而有所差异, 其上限值在居民区为70 dB(A)、在工业区为85 dB(A) 的范围内变化(距线路中心线15 m 处)。我国《地下铁道车辆通用技术条件》(GB � T7928—87) 规定: 司机室内的噪声不超过80 dB(A), 客室内的噪声以不超过83 dB (A) 为限。可供参考的还有我国《铁路机车司机室噪声允许值》规定, 铁路新造、大修后的内燃、电力机车司机室内部稳定噪声应在78 dB(A)~ 80 dB(A), 添加间隙噪声后的等效声级应不超过85 dB(A)。
3 控制和降低列车辐射噪声的措施
3. 1 线路环境噪声的组成及列车辐射噪声的特征
轨道交通沿线的环境噪声主要由列车辐射的稳态噪声和与列车有关的间歇噪声组成。稳态噪声有轮轨噪声、车辆动力装置与辅助系统噪声以及高速运行时的空气动力噪声等。间歇噪声包括过曲线、道岔, 制动, 鸣笛, 交会和调车所引起的噪声。
通过对列车运行辐射噪声的测试与分析研究, 可知:
(1) 列车运行辐射噪声频谱呈低中频特性, 峰值频率在63 H z~ 500 H z 范围, 该频谱主要是由轮轨噪声、动力装置噪声和列车声学特性所决定。当车速超过h~ 60 km ~50 km /h 时, 轮轨噪声对列车辐射噪声起主导作用。
(2) 在相同条件下, 车型不同,A 声级也不同, 这主要是由于不同机车车辆声学处理方法不同, 一般客车比货车稍低。
(3) 列车辐射噪声级随运行速度的提高而增加, 列车种类、线路结构、轨枕、轨道等对其均有影响。
(4) 列车辐射噪声沿垂直于轨道方向的不同距离的衰减规律如图1 所示。由图可知, 测点从3m 移到25 m ,A 声级衰减9 dB(A)~ 11 dB(A)。
图2 为距轨道中心线30m 处, 传声器在不同高度所测得的列车辐射噪声级。由图可知, 随测点高度的升高,A 声级增加, 开始时增加较快, 测点到一定高度后增长减缓, 直至不增加。
图1 列车辐射噪声沿垂直轨道距离衰减曲线(图中1、2 分别为测点距轨道中心3m 和25 m )
1. 3. 2 几种降低噪声的措施
2. 3. 2. 1 轮轨噪声
(1) 采用橡胶弹性车轮。在车轮的轮辋与辐板之间加设橡胶件, 使二者之间的金属脱离直接接触, 利用橡胶元件把轮辋和辐板的振动转化成热能, 吸收和衰减一部分噪声。据日本资料介绍, 弹性车轮对水平和垂 直激扰的消声效果相对于全钢整体车轮可降低噪声达10 dB(A)~ 20 dB(A)。
(2) 选择具有抑制“ 卡滞2滑动效应”的钢轨材料, 用特制的具有摩擦剩磁效应和滑动性的低合金钢15N iCuM oN b5、50CrM oV 4 和14N iCr14, 可使曲线运行时轨道与车轮运行方向之间的临界倾角增大。即在不改变转向架结构前提下, 通过
图2 列车辐射噪声沿更改钢轨用钢, 降低车辆通
高度分布情况过曲线时的噪声, 增大轨道与车轮运行方向之间的临界倾斜角, 使得转向架通过曲线时不产生轮轨噪声的最小曲线半径减小。除此之外, 磨削车轮踏面和钢轨轨面, 提高其光洁度, 车轮和钢轨的材料合理匹配, 也是降低滚动噪声行之有效的措施。
3. 2. 2 制动噪声
闸瓦制动会使车轮踏面周期性地变得粗糙, 甚至出现局部熔结, 使踏面出现所谓的波浪形磨耗, 由此加剧了轮轨噪声。采用盘形制动代替闸瓦制动, 改善了踏面状态, 消除了波浪形磨耗, 可降低轮轨噪声达8 dB (A )。在盘形制动上采用合成闸瓦(粉末冶金烧结闸瓦), 其所产生的制动噪声将比装用铸铁闸瓦低。为减少制动噪声, 还可在制动组件上添加减振装置, 例如在闸瓦托架装设阻尼装置, 在闸瓦和托架的连接上采用预张紧装置。采用这种措施后可降低噪声达20 dB(A)。
3. 2. 3 转向架各构件的声辐射和传递特性以及辅助隔音措施
由于转向架构架和摇枕大多为空腹的承载结构, 彼此之间均采用橡胶连接元件或空气弹簧悬挂。这种结构能将各个声源相互隔离从而衰减噪声。其余的几个直接激发噪声的构件, 如轮对驱动装置、盘形制动和车轮等, 可通过以上介绍的措施抑制和衰减其噪声。
另外, 在转向架两侧面设置隔声罩和在线路两侧设隔声墙, 可以降低和衰减滚动和制动噪声。不过, 这种措施投资高, 困难大。
3. 2. 4 列车辐射噪声的防护措施
(1) 提高车体和门窗的隔声性能, 降低噪声向车内辐射和传递。试验表明, 在车体钢结构内表面涂以石棉沥青浆或在钢结构上涂敷阻尼材料均可提高墙板的隔声性能。采用双层玻璃的门、窗结构也可明显地提高隔声性能。车体的隔墙采用双层墙代替单层墙是提高隔声性能、减少车内噪声的重要措施。
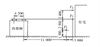
(2) 高架铁路设置高度较低的声屏障, 能有效地降低列车辐射噪声对周围住宅的影响。图3 为在高架铁路附近的住宅的不同高度布置测点P 1、P 2、P 3, 测得噪声级分别为76 dB(A)、79 dB(A)、81 dB(A)。低于轨道的P 1 点噪声级比水平点P 2 低, 而高于轨道的P 3 点噪声级最高, 这是由于轨道噪声的指向特性所决定。如果在高架铁路近旁设置高度较低的声屏障, 则各测点声级均有较大幅度的下降, 下部测点比上部更为显著。
图3 轨道高于住宅时噪声测点的布置简图
1. (3) 试验表明, 站台对列车辐射噪声也有一定的衰减作用。
2. (4) 采用长钢轨与短钢轨相比, 列车辐射噪声相差6 dB(A)~ 8 dB(A)。
参考文献:
.[1 ] 郑长聚. 环境噪声控制工程. 北京: 高等教育出版社, 1988.
.[ 2 ] 环境噪声控制工程——第二届全国噪声控制工程学术会议论文选. 北京: 中国建筑工业出版社, 1987.
.[ 3 ] 周竹君, 应东海, 施桂蓉. 消声轮研究. 铁道车辆, 1995, 33(10): 1—7. (编辑: 田玉坤)



