中国节能协会城轨交通节能专业专委会
中国勘察设计协会轨道交通分会
中国土木工程学会轨道交通分会
中国城市轨道交通协会设计咨询专业委员会

行业资讯

运营地铁车站保护的“抗”与“放”设计

发布日期:2007-09-20 18:02

浅谈运营地铁车站保护的“抗”与“放”设计思想
 
摘 要:本文研究了邻近地铁车站基坑施工中,采用“抗”与“放”的设计思想对邻近运营地铁车站进行保护,并对比研究了这两种设计思想的成效,说明了按照“抗”与“放”的原则进行施工,新老车站变形状况差别很大。新老车站横向变形相互影响,适当放宽新车站的横向变形,在一定程度上可以阻止老车站结构的横向变形的发展。但是,施工中挖土支撑参数如果“放”而无度,则会适得其反,不仅新建车站变形过大,另外老车站结构也将出现过大的反向变形。
关键词:深基坑 变形 地铁车站
 
1 工程概况
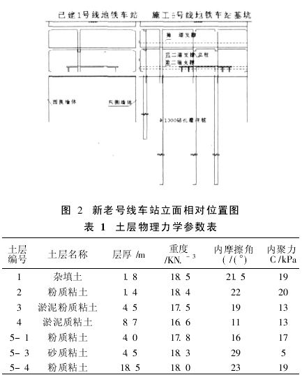
      上海地铁M8线人民广场站(简称新车站)是人民广场交通枢纽的重要组成部分。本车站为地下二层三柱四跨岛式车站,外包长度329.5m,标准段内净宽26.48m,端头井深15m,标准段深13.2m。车站主体紧贴1号线人民广场站(简称老车站)布置,与地铁1号线之间采取同站厅平行换乘。车站主体平行于地铁1号线人民广场站,并与1号线共用一堵地下连续墙。车站北端头井靠近新世界商场,南端头井靠近人民大道路边。西藏中路东侧有保护性建筑沐恩堂、来福士广场、世贸国际广场。周边交通繁忙、重要管线众多,施工场地狭小。图1、图2是8号线人民广场站基坑与1号线地铁车站基坑的平面示意图和立面相对位置图。
 
      拟建场地地基土在基坑开挖深度影响范围内,主要以饱和淤泥质粉质粘土、淤泥质粘土为主,但局部夹有薄层粉细砂及贝壳碎屑,第3层淤泥质粉质粘土中夹薄层砂质粉土。各土层的土性描述与特征详见表1。
2 “抗”与“放”的设计思路
      紧贴运营地铁车站深基坑工程施工,是新老车站结构作为一个统一系统整体工作、相互影响的过程。其一,基坑开挖,在水平向支撑施加之前,新建车站挡墙和老车站结构侧向卸荷,在自身水平向荷载差的作用下两者均产生倾向坑内的变形。其二,支撑施加结束的后续施工中,新老车站结构变形通过横向支撑或者逆作法施工的楼板而互相影响。尤其当新车站挡墙外侧超载大于老车站结构外侧的超载水平时,整个结构系统在水平差异荷载情况下,新车站结构水平向位移通过横向联系构件对老车站结构向坑内的水平向倾斜产生抑制,老车站结构在局部地方甚至会发生背离基坑方向的位移,这在实际工程的老车站结构变形实测数据中得到体现,如图3所示。
      由此,对紧贴运营车站进行深基坑施工的设计,其实是新老车站变形控制的一体化设计的过程。基坑施工时,对运营车站的保护设计,可以从“抗”与“放”的两个截然不同的角度进行考虑[1~3]。施工中可充分利用新老车站结构之间的变形协调,达到经济有效地保护运营车站的目的。
      所谓“抗”的设计思路:是指尽量控制新老车站结构位移,即施工中采取各种可能手段和措施,尽量维持新老车站各自的受力平衡状态、保证新老车站结构变形很小甚至不动,那么施工对运营车站结构影响自然很小。比如,采取逆作法施工、加强地基加固量、设置分隔墙、挖土支撑严格遵循时空效应规律进行等。“抗”的设计是以严格的施工技术措施和一定的经济投入为前提。
      所谓“放”的设计思路:是指有限度的允许新老车站的位移,即施工中充分利用新老车站结构变形的相互影响,利用彼一方的变形作为另一方变形的抗力和约束。例如,在新建基坑侧向荷载大于老车站结构侧水平方向荷载情况下,在满足周围环境和结构本身变形要求时,可以通过调整加固、挖土、支撑等施工参数,适当放宽新建车站挡墙的变形,此变形通过横向支撑作用在老车站结构上,达到抑制老车站结构横向变形的目的。“放”的设计必须满足两个原则:第一,满足基坑变形和周围环境变形要求;第二,必须保证有足够的横向支撑刚度。“放”的设计,是一个与施工密切结合的动态设计过程。施工中,必须根据基坑实际变形情况和施工现状,合理调整施工参数。掌握好“放”的度,可以做到节省工程投资。
3 “抗”与“放”的设计方案
      以M8线人民广场站基坑3~8轴施工为例,分析不同设计方案和施工参数下,新老车站变形状况。围护结构、支撑和楼板等设计参数见表2。
  方案一(按“抗”的原则设计):坑内地基满堂加固;逆作法施工,挖土支撑按设计要求,分6层,分层厚度、开挖宽度和暴露时间以及新老车站的变形状况如表3所示。设计中可以取运营车站结构为模型进行有限元计算,并借鉴考虑时空效应的平面二维杆系有限元设计思想,被动区用弹簧单元进行模拟,其劲度系数为考虑施工的时间和空间效应进行修正后的等效水平基床系数[4]。等效水平基床计算公式见公式(1)、(2)。对于非地基加固部分:
  注:(1)方案一和二都采用逆作法;(2)方案二地基加固:远离运营车站侧宽5.0m;靠运营车站侧宽8m;厚度为坑底下3m。
      方案二(实际施工状态,即按“放”的原则设计):坑内地基加固参数、挖土支撑等施工参数采用实际施工时所发生的参数(见表3)。老车站变形为实测数据。
4 “抗”与“放”的影响效果比较
      为使方案一与方案二具有可比性,本文取新车站地墙和老车站地墙的两个典型剖面分别进行计算,并与实测数据进行比较。
      “抗”与“放”的影响效果比较见图4、图5所示。由图4、图5可知,按照“抗”与“放”的原则进行施工,新老车站变形状况差别很大。同时得出如下结论:
      (1)按照方案一施工,新车站结构变形值为11.4mm,满足基坑一级保护要求(1.4‰×13.2=18.5mm)[1];老车站地墙产生向坑内的变形,最大值为2.28mm。而实际施工过程中(方案二),由于施工参数(挖土厚度、宽度、放置时间等)没有严格按照设计要求进行,新车站地墙最大变形达到了42.4m,超出了一级保护变形要求;同时老车站站台层地墙产生了反向变形(背离开挖基坑方向),变形最大值达到了3. 1mm。由此可知,新老车站横向变形相互影响,适当放宽新车站的横向变形,在一定程度上可以阻止老车站结构的横向变形的发展。同时,由方案二可知,施工中挖土支撑参数如果“放”而无度,则会适得其反,不仅新建车站变形过大,另外老车站结构也将出现过大的反向变形。
  (2)被动区地基加固的主要目的一般来说是为了增强围护结构水平向抵抗变形的能力,但从方案二变形结果可知,如果进行合理组织施工,则可以适当增大新建车站变形,使其抵制老车站结构横向变形。从此角度出发,地基加固设计可以进行优化。当然,坑内地基加固对坑底抗隆起也起到很大的作用。坑底土体隆起将引起结构产生相应的竖向位移。所以,地基加固的设计优化,还必须综合考虑加固参数对老车站结构横向和竖向变形的影响,进行比较分析。
5 结语
      基坑施工中,新老车站变形相互影响。新老车站变形控制也是一个一体化控制、系统控制的过程。根据不同设计目标,可以采用“抗与放”的设计思路,达到保护运营车站的目的。两种设计思路出发点不同,投入的经济价值也不相同。按照“抗”与“放”的原则进行施工,适当放宽新车站的横向变形,在一定程度上可以阻止老车站结构的横向变形的发展。但是,施工中挖土支撑参数如果“放”而无度,则会适得其反,不仅新建车站变形过大,另外老车站结构也将出现过大的反向变形。另外,地基加固的设计优化,还必须综合考虑加固参数对老车站结构横向和竖向变形的影响,进行比较分析。
 
参考文献
[1]刘建航、侯学渊,基坑工程手册,中国建筑工业出版社,1997
[2]陈新年,软土基坑内地基加固研究,同济大学硕士学位论文,2000
[3]上海市地铁总公司、同济大学,基坑工程时空效应理论与实践,1997
[4]刘国彬、黄院雄,考虑时空效应的等效土体水平抗力系数的取值研究,土木工学报,2001.6