中国节能协会城轨交通节能专业专委会
中国勘察设计协会轨道交通分会
中国土木工程学会轨道交通分会
中国城市轨道交通协会设计咨询专业委员会

行业资讯

城市轨道交通高架桥整孔箱梁架设施工

发布日期:2008-02-23 19:14

城市轨道交通高架桥整孔箱梁架设施工技术
 
摘 要:简要介绍了城市轨道交通中运架一体式架桥机架设高架桥整孔箱梁的施工技术。当预制梁场设在高架桥下时,采用提梁机提起整孔箱梁,通过特制旋转式横移平台喂梁,运架一体式架桥机运梁和架梁。这种高架桥整孔箱梁架设的施工方法与节段箱梁、现浇箱梁、移动横梁等施工方法相比,具有作业效率高、工期短的特点。
关键词:轨道交通;整孔箱梁;架梁
 
      广州市轨道交通四号线高架桥部分区段采用整孔箱梁,共计165孔,基本梁型为30m梁和25m梁,梁宽均为9.3m,梁高为1.7m;30m梁重410t,25m梁重340t。线路最小曲线半径R=800m;架梁最大上坡度为22.97‰,最大下坡度为10‰;跨珠江水系最大墩高为24m。
1 总体施工技术方案
1.1 总体施工流程
      根据施工现场情况,采用2台250t提梁机跨桥位及跨存梁台位安装布置,先用提梁机架设8孔30m箱梁作为运架一体式架桥机组装及取梁用平台,再用专用旋转横移平台作取梁喂梁,采用经改造后的意大利NICOLAYJ550型运架一体式架桥机取运梁进行桥梁架设。桥墩加设抱箍,架梁工地配备50t履带吊车1台、20t载重汽车1台用于安装、拆除、倒运桥墩抱箍,总体施工流程如图1所示。
1.2 主要机械设备配置表见表1。
2 工程特点及难点
      1)制梁场设在桥位下面,距桥面7~8m,故需特制一套旋转平台,配合2台250t提梁机,将箱梁从梁场存梁台位提升后,横移至运架一体式架桥机主梁下取梁。旋转式横移平台的研制及提梁、移梁、取梁工艺成为工程的难点。
      2)运架一体式架桥机的组装只能在利用250t提梁机跨桥位架设几孔梁后的桥面上组装。
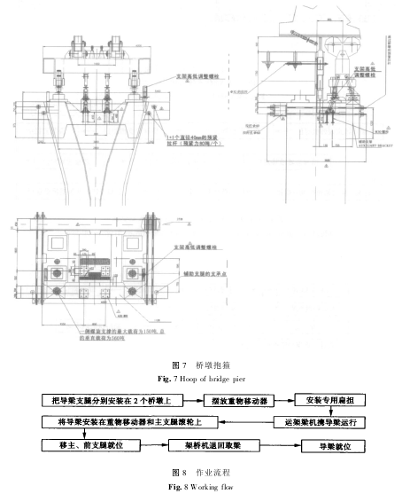
      3)墩身设计从上至下呈“Y”字形,尤其是墩面的结构尺寸小,使得运架一体式架桥机导梁支腿站位受力点超出墩面结构尺寸范围以外。故必须特制一套桥墩抱箍,增大桥墩面面积,使之与导梁支腿站位受力点尺寸相适应,并能承受由运架一体式架桥机吊梁传递的载荷。桥墩抱箍的设计加工及与墩身的连接成为该工程的另一大难点。
      4)曲线半径小,最小曲线半径R=800m,使得该型运架一体式架桥机在导梁跨两跨对位喂梁时对位较困难。
3 箱梁架设施工技术研究
3.1 运架一体式架桥机组装
      运架一体式架桥机组装前需根据地基条件处理好龙门吊走行线轨下基础,并沿桥梁纵向跨桥位铺设提梁机左右走行线。利用大吨位汽车吊组装好两台250t提梁机,然后利用250t提梁机架设8孔箱梁,再利用250t提梁机在桥面上组装运架一体式架桥机。其作业程序框图如图2所示。
3.2 箱梁提升
      为满足整孔箱梁的提升要求,采用2台250t提梁机将箱梁从存梁台位提升至旋转式横移平台上。
3.3 箱梁横移
      采用特制的WX500型旋转式横移平台进行箱梁横移喂梁作业。WX500旋转式横移平台如图3所示。
      WX500旋转式横移平台主要技术参数如下:额定承载能力为500t;适应箱梁跨度为25~30m;移梁平均速度为0.2m/min;转臂平均转动速度为37.5°/min。
      WX500型旋转式横移平台移梁作业步骤如图4所示。
3.4 运架一体式架桥机箱梁架设工艺流程工艺流程如图5所示。
3.5 整孔箱梁架设作业流程
3.5.1 埋设桥墩预埋件
      桥墩因顶面的尺寸不够,采取安装抱箍加宽桥墩顶面来满足运架一体式架桥机架梁施工的要求。预埋件埋设位置及桥墩面见图6。
3.5.2 安装桥墩抱箍
      桥墩抱箍安装施工工艺如下。
      1)安装抱箍:
      (1)安放安装支架。
      (2)安装1号件。
  (3)临时安装预紧拉杆。
      (4)安装2号件、预紧拉杆安装就位。
      2)张拉预紧拉杆:
      (1)每根预紧拉杆的预紧力为80t。
  (2)根据试验室提供的拉力对照表控制螺杆拉伸器上压力表的读数,拉力的误差应控制在0~5%,不宜出现负误差,禁止超过5%以保证预紧拉杆少受损伤,确保安全。
      (3)4根预紧拉杆应对称进行张拉,如有特殊情况用1台拉伸器张拉时,应分为4次张拉,每次增加20t的拉力。
3.5.3 安装导梁
      作业流程框图如图8所示。
3.5.4 运架一体式架桥机取运梁和喂梁喂梁作业流程如图9所示。
3.5.5 落梁就位
      1)落梁前检查。
  2)铺砂浆垫层。
      3)落梁。起动液压卷扬机以0.5mm/min低速、平稳、分3个步骤完成落梁。
      (1)距支承垫石顶面500mm左右时,液压卷扬机制动。上支座下座板套筒锚固螺栓,然后起动卷扬机徐徐落梁。
      (2)距墩台支承垫石顶面300mm左右时,采用线锤对中引导。
      (3)距墩台支承垫石上水泥砂浆面10mm时,液压卷扬机制动,利用运架一体式架桥机吊装横梁纵、横移装置微量调整箱梁落梁位置,预留出桥梁伸缩缝,箱梁精确对位,然后,起动液压卷扬机,徐徐落梁到位。
      4)落梁后检查。落梁后根据整孔箱梁架设工程施工质量验收标准检查箱梁与支座就位情况。
3.5.6 安装支座
      1)根据支座类型配置表选择与线路纵坡一致的支座。
      2)支座上摆顶面必须安装3mm厚的高压石棉板。
      3)支座安装误差见表2。
      (1)梁端伸缩缝误差符合设计。当梁跨与桥跨有误差时,其纵向误差以桥梁中心线为准向两端平均分配。但梁的活动端必须保持在按100℃温差计算的最小伸缩空间内,其近似值为1/1000。
      (2)活动支座应按梁的温度变化及混凝土梁未完成的收缩徐变产生的错动量,调整顶板与底板(或上下座板)的相对位置。错动量按下列公式计算;
δ=(T-T0)aL+δs。
      其中:δ为顶板与底版(上下座板)的计算错台量;a为线膨胀系数,1×10-5/℃;L为梁跨度,对柔性桥墩上取温度特点ΣL(cm);T为架梁时的温度,℃;T0为收缩徐变完成后顶板与底板(上下板)中心线重合时的温度(简称计算温度),其值可取:
T0=T/(30L)。
      其中:T为年度中最高和最底温度的平均计算值;δ为梁端部下缘因活载产生的纵向位移(cm);δ/(30L)为换算温度,箱梁可取10℃;δs为箱梁未完成的收缩徐变值,对于25m箱梁,为0.95cm,对于30m箱梁,为1.78cm;
3.5.7 运架一体式架桥机退回
      1)取下吊具。放松钢丝绳,取出吊梁螺杆和连接板,螺母要妥善保管。
      2)导梁后退7.6m,拆除加固件。运梁小车驱动导梁后退7.6m,抄平后支腿连接后支腿与导梁连接拉杆,后支腿与已架好梁的吊装孔地锚杆,导梁尾部油缸伸出承受负载并安装护套立于后支腿上。
      3)前轮组落地。运架一体式架桥机前轮组落地,拆除导梁运梁小车与运架一体式架桥机连接油路及控制电缆,旋转司机室至运行位置,取掉后轮组轮胎楔形垫木。
      4)返回取梁。运架一体式架桥机以5km/运行速度返回梁场取梁,进行下一次循环。
      5)在下坡或平坡架梁,运架一体式架桥机离开后,立即用钢丝绳把导梁与已架箱梁牢固连接确保安全。
3.5.8 转移支腿,拆除已架箱梁桥墩抱箍
      转移支腿同导梁安装移主前支腿就位工序,拆除已架箱梁桥墩抱箍。
3.5.9 小曲线半径箱梁架设
      城市轨道交通高架桥由于地面固有建筑物给选线带来的不便,故多有小半径曲线。
      1)运架梁机及导梁与直线桥轴线一致。
      运架梁机、导梁在架设前对位时,其轴线和已架直线桥梁轴线保持一致。
      2)计算横移调整量。根据曲线桥的曲线半径计算出半径在桥墩间的弦线量。
      3)调整前支腿。
      4)落梁。在运架一体式架桥机在导梁上前行喂梁时,应注意随时调整架桥机的位置,架桥机走行到位后,架桥机两侧里导梁两侧的距离应基本相等,其他落梁等步骤与直线架设的相同。
4 结束语
      城市轨道交通高架桥整孔箱梁采用特制旋转横移取梁平台在预制场喂梁取梁、桥墩抱箍辅助技术措施,采用经改造后的意大利NICOLAYJ550型运架一体式架桥机取运梁,并进行整孔箱梁架设的施工方法在我国还是第一次。随着我国城市轨道交通的大力发展,应用原适应秦沈客专箱梁架设需要而引进,经改造的运架一体式架桥机架设城市轨道交通高架桥整孔箱梁的型式一定会越来越多,应用前景会更加广阔。
      同时,城市轨道交通高架桥整孔箱梁架设的施工技术与节段箱梁、现浇箱梁、移动模架工法相比,其作业效率、工期效益要高得多。中铁五局在广州地铁项目、北京机场线高架桥项目,应用上述架设技术日架梁最高达到了每日5孔的全国最高记录。
 
参考文献:
[1]TB10213—99,铁路架桥机架梁规程[S].TB10213—99
RegulationsofRailwayBridgeErectingMa-chine[S].
[2]信 然,杨启兵.秦沈客运专线箱梁和工程施工新技术[M].北京:中国铁道出版社,2003.
XINRan,YANGQi-bing.Thenewconstructiontechnologyforboxgirdersonthepassengerdedicatedlinebetweenqing
huangdao—shenyang[M].Beijing:ChinaRailway
Press,2003.
[3]雷俊卿.桥梁悬臂施工与设计[M].北京:人民交通出版社,1999.
LEIJun-qing.Cantileverconstructionanddesignofbridge[M].Beijing:People’sCommunicationsPress,1999.
[4]张志华.高速铁路整孔箱梁DCY850型轮胎式运梁车设计方案讨论[J].铁道标准设计,2003(1).
ZHANGZhi-hua.ThediscussionondesignoftypeDCY850wheeltransportinggirdervehicleformonolithicbox
beamsonhighspeedrailway[J].RailwayStandardDesign,2003(1).
[5]李怡厚.铁路客运专线架梁铺轨施工设备[M].北京:中国铁道出版社,2002.LIYi-hou.Constructionequipmentforgirdererectionandraillayingonrailwaypassengerspeciallines[M].Beijing:ChinaRailwayPress,2002.
[6]李开言.运架一体式架桥机架设技术及工艺[M].北京:中国铁道出版社,2002.
LiKai-yan.Theerectconstructiontechnologyofgirdertrans-portinganderectingmachine[M].Beijing:ChinaRailwayPress,2002.